EasyManua.ls Logo

FUNAI LC195SLX - Page 41

FUNAI LC195SLX
250 pages
Print Icon
To Next Page IconTo Next Page
To Next Page IconTo Next Page
To Previous Page IconTo Previous Page
To Previous Page IconTo Previous Page
Loading...
9-7
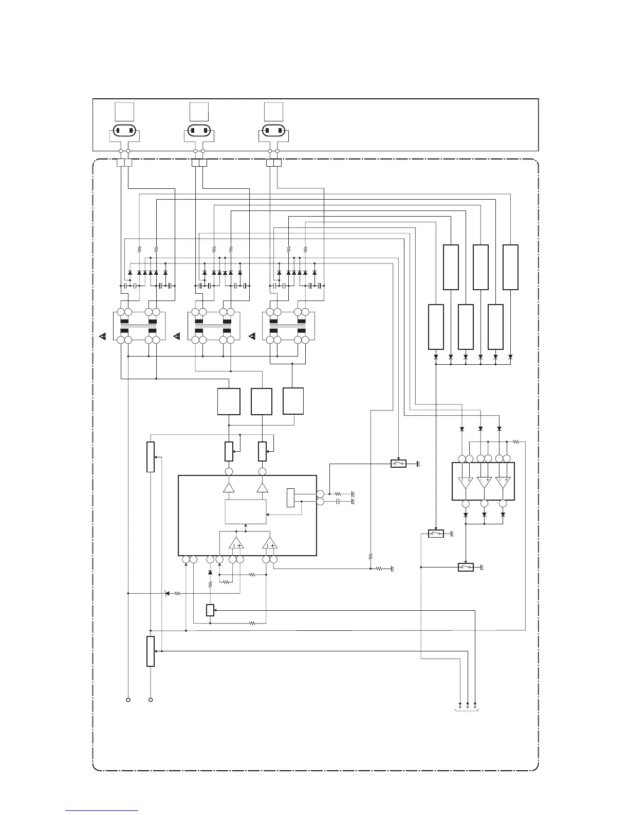
Inverter Block Diagram
[22MF339B/F7, LC225SSX]
A9170BLINV
MAIN CBA
IC1001
(PWM CONTROL)
BACK
LIGHT
1
2
1
2
CN1650
CN1750
BACK
LIGHT
T1600
Q1006,
Q1009,
Q1010
Q1003
Q1750
Q1751
Q1650
Q1651
Q1500
Q1004,Q1011,
Q1013,Q1014
Q1001,Q1002
Q1023,
Q1024
Q1600
T1700
DRIVE
Q1005,
Q1007,
Q1008
DRIVE
OSC
PWM
CONTROL
LOGIC
VCC
DTC
CURRENT
CONTROL
SWITCH
CURRENT
CONTROL
SWITCH
Q1700
CURRENT
CONTROL
SWITCH
OVER VOLTAGE
PROTECTOR
OVER VOLTAGE
PROTECTOR
OVER VOLTAGE
PROTECTOR
OVER VOLTAGE
PROTECTOR
Q1550
OVER VOLTAGE
PROTECTOR
Q1551
OVER VOLTAGE
PROTECTOR
11
8
5 6
15
3
4
12
VREF
14
16
2
1
SW
SW+12.5V
Q1401
Q1402
LCD MODULE
ASSEMBLY
T1500
3
1
4
7
8
6
5
2
BACK
LIGHT
1
2
CN1550
IC1002
(COMPARATOR)
6
7
5
2
3
1
13
12
14
PANEL+15V
INV+31V
TO
SYSTEM
CONTROL
BLOCK
DIAGRAM
PROTECT3
BACKLIGHT-SW
BACKLIGHT-ADJ
3
1
4
7
8
6
5
2
3
1
4
7
8
6
5
2
SW+12.5V

Related product manuals