EasyManua.ls Logo

FUNAI LT6-M19BB - Electrical Adjustment Procedures; Required Test Equipment for Adjustments; Service Mode Entry Procedure; Service Remote Control Creation

FUNAI LT6-M19BB
62 pages
Print Icon
To Next Page IconTo Next Page
To Next Page IconTo Next Page
To Previous Page IconTo Previous Page
To Previous Page IconTo Previous Page
Loading...
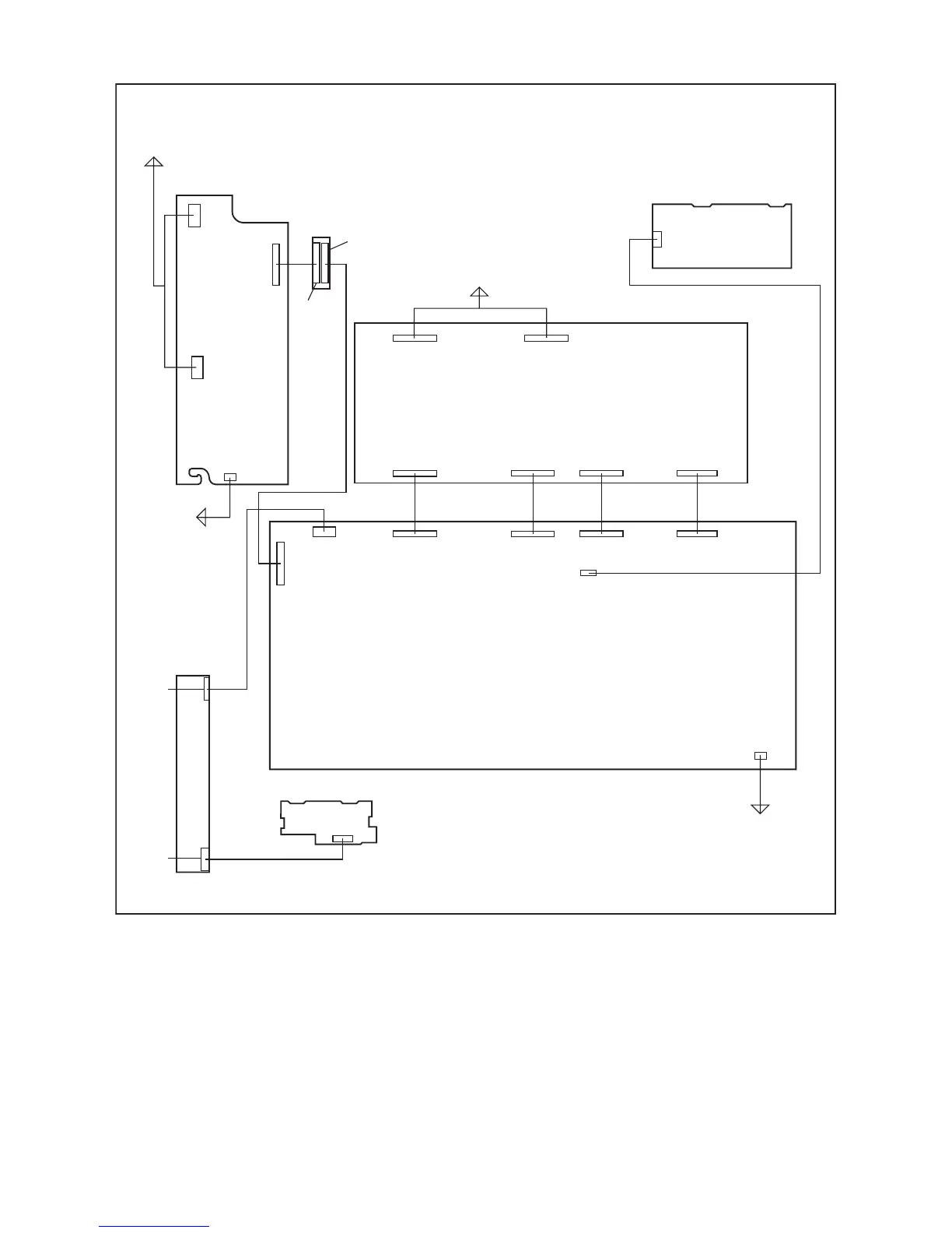
4-4 A8CN0DC
TV Cable Wiring Diagram
IR Sensor CBA
Function
CBA
CN106
CN105A
CN402
CN451
CN301
Main CBA
CN802
CN202
CN401
CN4501 CN4502
CN11
Digital Main CBA Unit
Jack CBA
To Speaker
CN201
Junction
CBA
CN3704CN4503CN3701CN3601
CN103ACN102ACN101ACN104A
Inverter CBA
To LCD Module
Assembly
CN403B
CN403A
CL403
To LCD Module
Assembly
CN107
To Speaker
Fig. D3

Related product manuals