EasyManua.ls Logo

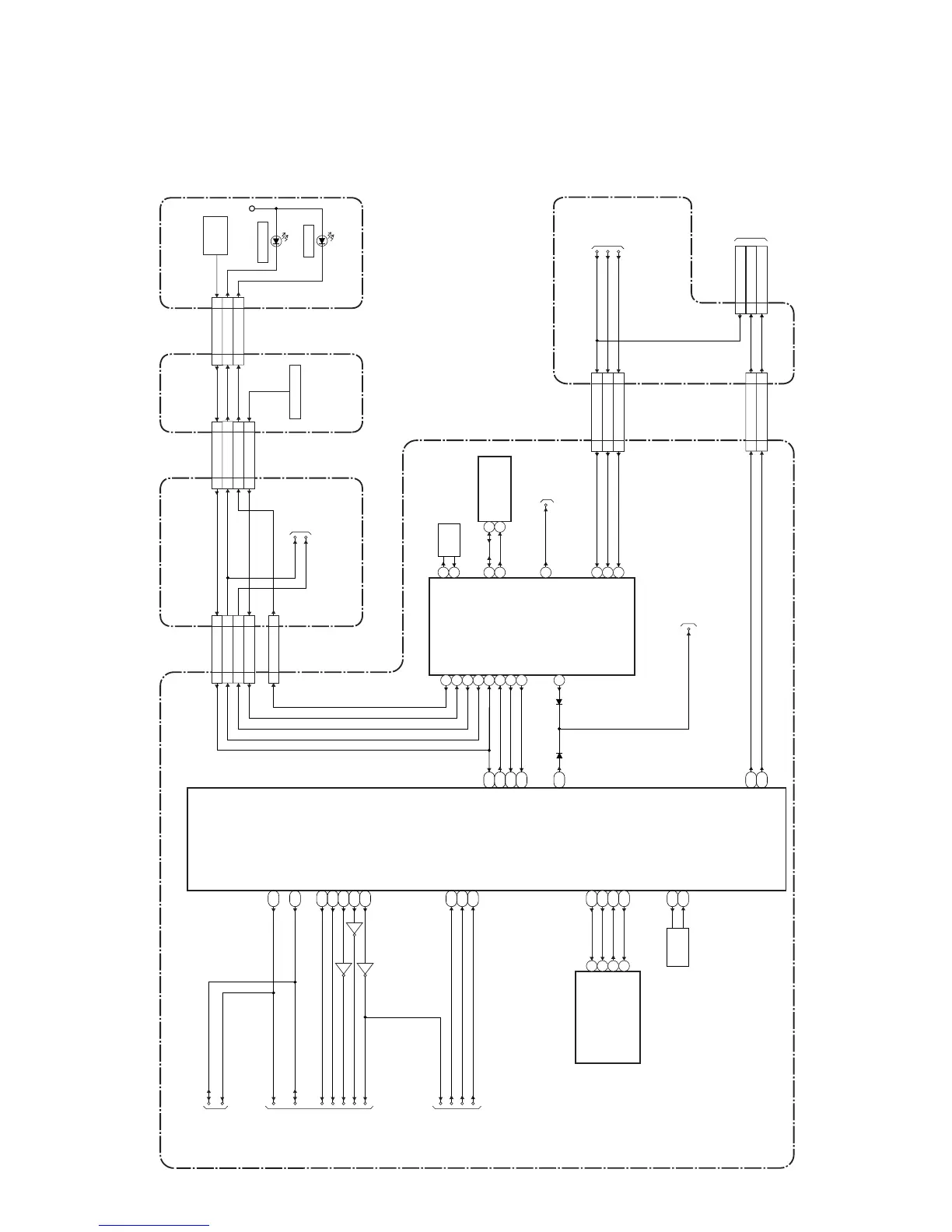
FUNAI LT6-M19BB - System Control Block Diagram

FUNAI LT6-M19BB
62 pages
Print Icon
To Next Page IconTo Next Page
To Next Page IconTo Next Page
To Previous Page IconTo Previous Page
To Previous Page IconTo Previous Page
Loading...
7-1
System Control Block Diagram
A8CN1BLS
BLOCK DIAGRAMS
LED1
KEY SWITCH
IC4700
(SUB MICRO CONTROLLER)
IC4513
(MAIN MICRO CONTROLLER)
3
XOUT
XIN
X3101
4MHz
OSC
DIGITAL MAIN CBA UNIT
IR SENSOR CBAFUNCTION CBAMAIN CBA
CN301
REMOTE
SENSOR
RS301
+3.3V
D302
POWER
STANDBY
D303
LED144
CN202
REMOTE22
P-ON-H155
CN104ACN3601
REMOTE22 4
8
10
9
PROTECT1
BACKLIGHT-ADJ
BACKLIGHT-SW
CN105A
REMOTE
11
12
RXD
15
6
8
CLKOUT
CLKIN
X3301
25MHz
OSC
U25
U26
P-ON-H1
TO
INVERTER
BLOCK
DIAGRAM
(CL403)
BACKLIGHT-ADJ
AC24
BACKLIGHT-SW
A2
TXD1
P22
TO DIGITAL
SIGNAL
PROCESS
BLOCK
DIAGRAM
TO POWER
SUPPLY
BLOCK
DIAGRAM
PROTECT1 22
P-ON-H114
P-ON-H213
P-ON-H2
P-ON-H1125
TXD
16RXD1
N22
AMP-MUTE-SUB
18
REMOTE
R22
RESET-MAIN
5RESET-MAIN
TO AUDIO-2
BLOCK
DIAGRAM
V24
LED144
REMOTE22
P-ON-H155
CN201
KEY-IN166
CN106
LED118 8
CN101A
P-ON-H213 13
CN3701
KEY-IN125 1
KEY-IN124
VCOM-PWM
21
VCOM-PWM
AA2
AMP-MUTE-MAIN
AMP-MUTE
SCL
SDA
19
20
IC3102 (MEMORY)
5
6
SDA
SCL
PROTECT2
RESET
23
PROTECT121 5
CN101ACN3701
PROTECT220 6
RESET17 9
IC3706 (MEMORY)
SPI-CLK
SPI-DO
SPI-DI
SPI-CS
SCK
SI
SO
CS
Y25
Y24
W25
W24
6
5
2
1
AF12
AE12
SCL
SDA
TO AUDIO-1
BLOCK
DIAGRAM
SCL
SDA
NICAM-RESET
B11
NICAM-RESET
SCART-MUTE
B2
SCART-MUTE
SCL
SDA
TO VIDEO
BLOCK
DIAGRAM
TO VIDEO
BLOCK
DIAGRAM
24
2
23
3
BACKLIGHT-ADJ
BACKLIGHT-SW
CN104ACN3601
PROTECT1
PROTECT2
RESET
TO POWER
SUPPLY
BLOCK
DIAGRAM
INPUT0
A11
INPUT0
INPUT1
E12
INPUT1
INPUT2
D12
INPUT2
D1
SLOW-SW1
E1
FBIN1
C12
S-SW
SLOW-SW1
FBIN1
S-SW
INPUT2
Q3823
Q3819
Q3822
MAIN CBA

Related product manuals