EasyManua.ls Logo

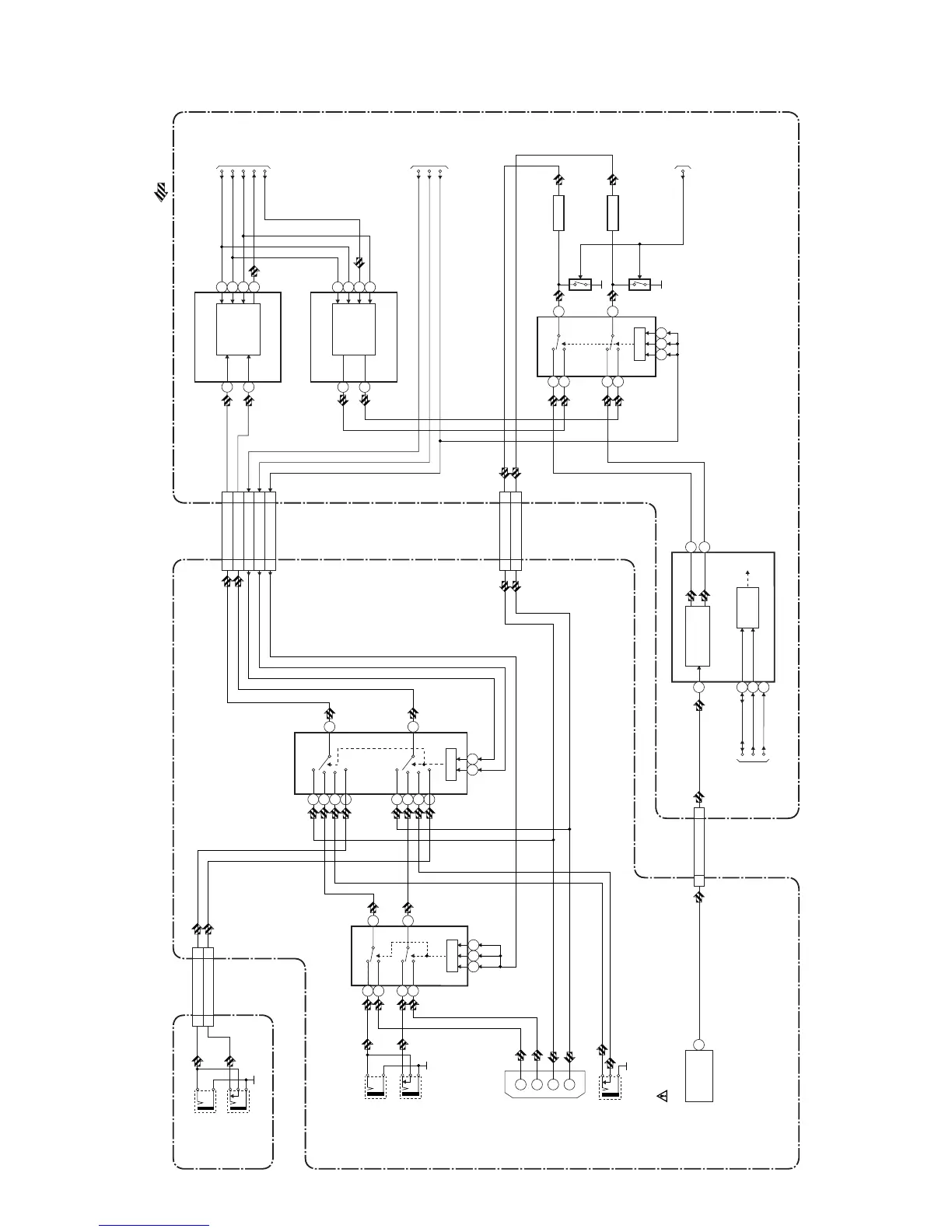
FUNAI LT6-M19BB - Audio-1 Signal Block Diagram

FUNAI LT6-M19BB
62 pages
Print Icon
To Next Page IconTo Next Page
To Next Page IconTo Next Page
To Previous Page IconTo Previous Page
To Previous Page IconTo Previous Page
Loading...
7-3
Audio-1 Block Diagram
A8CN1BLA1
AUDIO SIGNAL
CN3704CN103A
AUDIO(L)321
AUDIO(R)420
CN4503CN102A
TU-AUDIO(L)10 16
TU-AUDIO(R)11 15
BCLK
LRCLK
ACLK
AUX-ADATA
IC3825
(AUDIO A/D CONVERTER)
A/D
CONVERTER
1
2
11
10
15
12
TO
DIGITAL
SIGNAL
PROCESS
BLOCK
DIAGRAM
DIGITAL MAIN CBA UNIT
SIF-OUT
TU501
(TUNER UNIT)
6
SCL
SDA
AUDIO SIGNAL
PROCESS
I2C BUS
I/F
(L-CH)
(R-CH)
3
19
18
IC3821 (SOUND PROCESSOR)
TO SYSTEM
CONTROL
BLOCK
DIAGRAM
NICAM-RESET
21
RESET
24
22
IC3823
(INPUT SELECT)
SW CTL
13
12
15
109 11
1
2
14
IC3822
(AUDIO D/A CONVERTER)
D/A
CONVERTER
(L-CH)
(R-CH)
15
14
5
6
8
7
(L-CH)
(R-CH)
Q3831
BUFFER
Q3832
BUFFER
Q3833
Q3834
SCART-MUTE
CN3704CN103A
SIF915
A DATA 1
TO SYSTEM
CONTROL
BLOCK
DIAGRAM
MAIN CBA
IC850
(INPUT SELECT)
SW CTL
13
1
2
4
5
12
11
14
9 10
(L-CH)
(R-CH)
AUDIO(L)-IN
JK723
JK724
AUDIO(R)-IN
3
15
JK751
3
1
AUDIO(L)-OUT
AUDIO(R)-OUT
6
AUDIO(L)-IN
2
AUDIO(R)-IN
IC851
(INPUT SELECT)
SW CTL
4
109 11
3
5
14
12
13
JACK CBA
CN107CN11
JK14
COMPONENT
AUDIO(L)-IN
COMPONENT
AUDIO(R)-IN
JK15
JK725
PC-AUDIO
-IN
(L-CH)
(R-CH)
INPUT2618
INPUT0816
INPUT1717
COMP-AUDIO(L)
77
COMP-AUDIO(R)
88
INPUT0
INPUT1
INPUT2
TO SYSTEM
CONTROL
BLOCK
DIAGRAM

Related product manuals