EasyManua.ls Logo

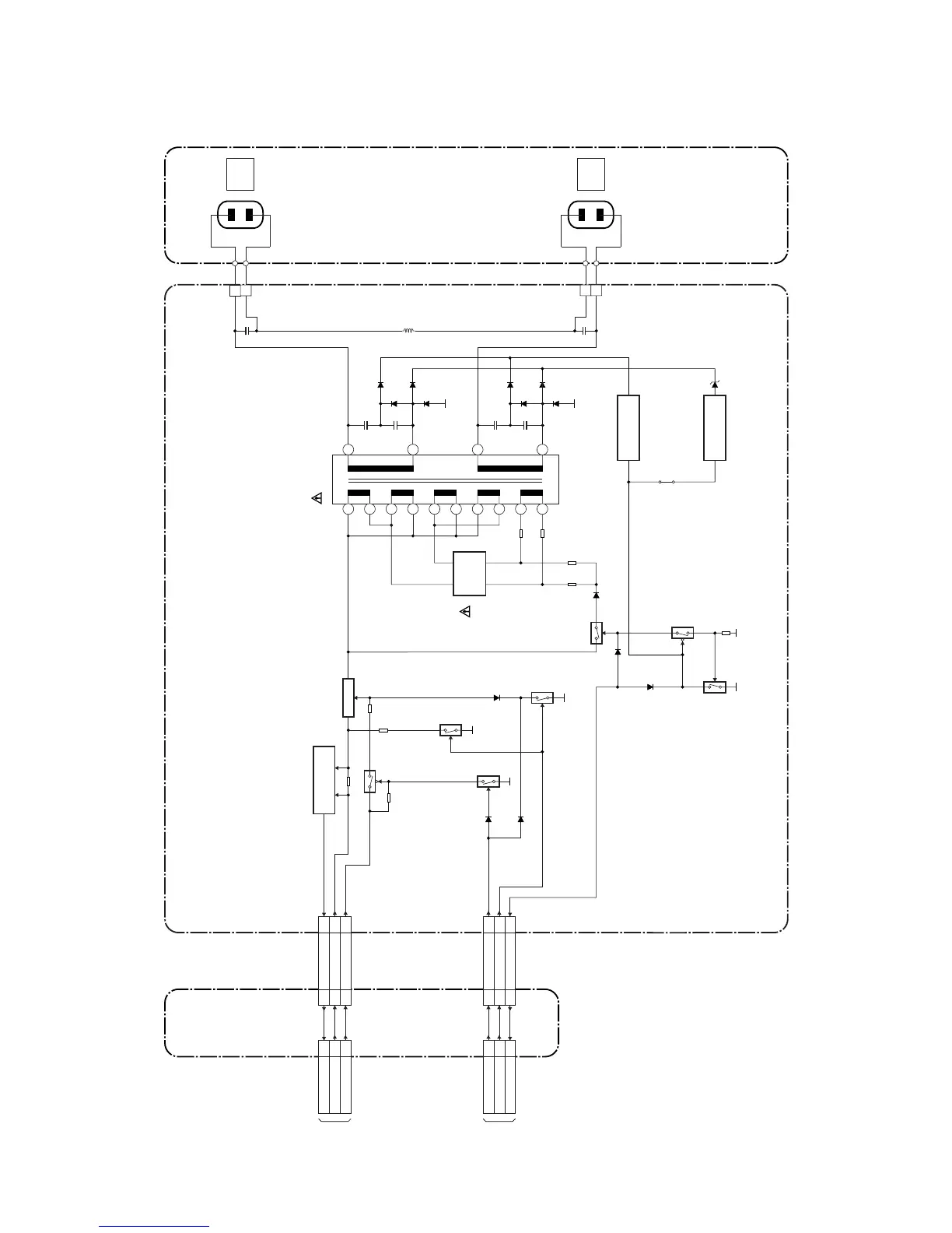
FUNAI LT6-M19BB - Inverter Circuit Block Diagram

FUNAI LT6-M19BB
62 pages
Print Icon
To Next Page IconTo Next Page
To Next Page IconTo Next Page
To Previous Page IconTo Previous Page
To Previous Page IconTo Previous Page
Loading...
7-6
A8CN1BLINV
Inverter Block Diagram
CURRENT
CONTROL
SWITCH
Q408
Q410
Q407
Q402
Q406
Q405
Q404
Q403
Q401
Q411
CN401
LCD MODULE
ASSEMBLY
BACK
LIGHT
BACK
LIGHT
1
2
CN402
1
2
TO POWER
SUPPLY
BLOCK
DIAGRAM
(CN105A)
INVERTER CBA
OVER CURRENT
PROTECTOR
T401
12
11
13
14
9
4
5
10
7
2
1
6
8
3
SW+22V
OVER VOLTAGE
PROTECTOR
Q412
OVER CURRENT
PROTECTOR
JS411
+35V1
1
PROTECT18
8
FEEDBACK2
2
INV+22V3,4
3,4
BACKLIGHT-SW
9
9
BACKLIGHT-ADJ
10
10
Q413
+35V
1
PROTECT1
8
FEEDBACK
2
INV+22V
3,4
BACKLIGHT-SW
9
BACKLIGHT-ADJ
10
JUNCTION
CBA
CN403B
CN403B
CL403 CN403A
CL403 CN403A
TO SYSTEM
CONTROL
BLOCK
DIAGRAM
(CN105A)

Related product manuals