EasyManua.ls Logo

FUNAI WV806 - Page 41

FUNAI WV806
65 pages
Print Icon
To Next Page IconTo Next Page
To Next Page IconTo Next Page
To Previous Page IconTo Previous Page
To Previous Page IconTo Previous Page
Loading...
1-12-12
E8C1SSCD3
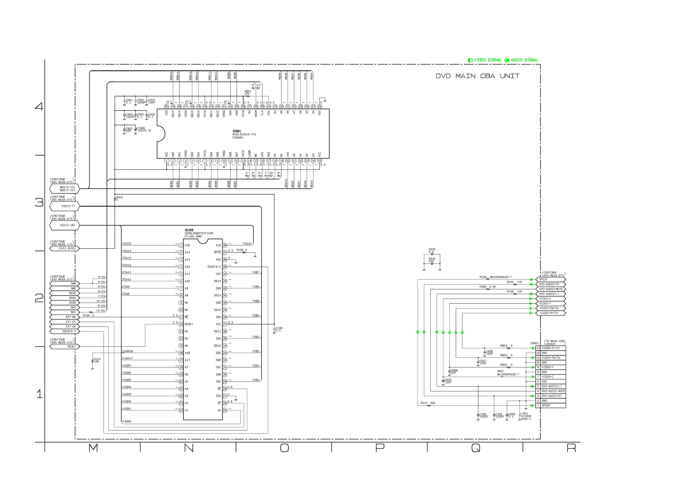
DVD Main 3/3 Schematic Diagram < DVD Section >

Related product manuals