EasyManua.ls Logo

Furman SRM-80A - Page 5

Furman SRM-80A
12 pages
Print Icon
To Next Page IconTo Next Page
To Next Page IconTo Next Page
To Previous Page IconTo Previous Page
To Previous Page IconTo Previous Page
Loading...
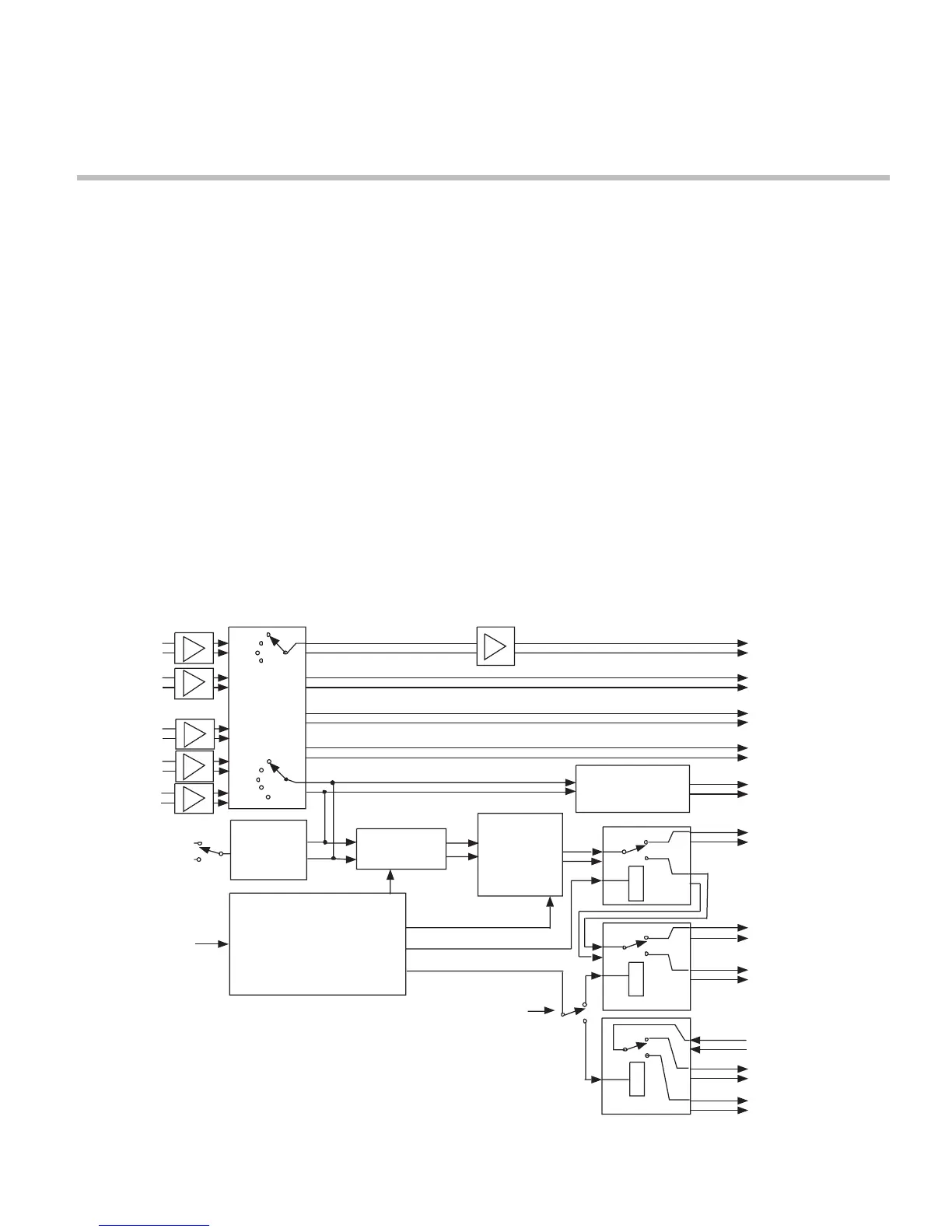
S R M - 8 0 A / E S I G N A L R O U T E R / M O N I T O R
The SRM-80A provides a high-resolution 40
LED x 2 bar graph meter to display the signal
selected for listening. The meter displays a
pre-fader signal for accurate monitoring of
the signal going to tape or disc. This meter
has true VU ballistics, or can be switched to
Peak Program Mode via the front panel toggle
switch. The meter also features a slow re-
lease-time Peak Hold function to allow easy
ver i ca tion of critical levels.
The SRM-80A’s MONO SUM feature provides
the ability to check for radio compatibility,
and is a good spot check to see how you’ve
messed up the stereo image! (Only the sends
to the speakers are af fect ed.) While radio air-
play is nearly always stereo these days, phas-
ing problems and odd panning ar range ments
can show up in less than ideal listening envi-
ronments, such as cars, and many lo ca tions in
nightclubs.
The SRM-80A also features a DIM switch to
allow an easy way to lower the level to the
speakers (but not the headphones) tem po -
rari ly without disturbing any level controls.
Headphone Volume
and Amplifier
Headphone
(Front Panel,
1/4" TRS)
+6dB gain
Input B
RCA
Input C
RCA
Input D
RCA
Source
Input A
1/4" TRS
1/4" TRS
Input to Output Routing Switches
Connect any Input to any Output --EXCEPT-- A cannot send to A, B cannot send to B etc.
VU / PPM
Meter
Speaker
Amplifier VCA
and floating
balanced
output stage
+6 dB gain
Amp A
1/4" TRS
Amp B
Amp B/C
or
Speaker B/C
Low level Relay
5 way post
To
Speaker B
5 way post
To
Speaker C
5 way post
High level Relay
Amp B Output
Amplifier Select Relays
Outputs
1/4" TRS
A
B
C
D
RCA
RCA
RCA
Vo
lume Control
and Mono Sum
+6dB gain
Push button switches
(Amplifier Select, Mono, Dim)
Amplifier Level Trim Pots
Remote Control
5 Pin DIN
Mono Control
Gain Control for Amp
A vs B vs C and DIM
Select Amp A vs Amp B/C
Select Amp / Spkr B/C
S
A
B
C
D
Monitor
Select
5 position
Routing
Select
4 position
(4 switches)
S
B
C
D
Floating Bal. output Stage, 0dB gain
Balanced Buffers
0 VU = +4dBu
1/4" TRS
1/4" TRS
Amp C
Unbalanced Buffers
0 VU = 0dBu
4