EasyManua.ls Logo

GAH Electrastream - 1-2 System Layout; Electrastream System Layout

GAH Electrastream
56 pages
Print Icon
To Next Page IconTo Next Page
To Next Page IconTo Next Page
To Previous Page IconTo Previous Page
To Previous Page IconTo Previous Page
Loading...
2
Important Health and Safety Information for Installers and Service Engineers
Health and Safety at Work Act 1974
Consumer Protection Act 1987
COSHH Regulations 1988
The following information is given as a requirement of the
above legislation.
Great care is taken by GAH (HEATING PRODUCTS) LIMITED
to ensure that Electrastream systems are designed and
manufactured to meet general safety requirements when
properly used and installed as recommended in this manual.
It is the responsibility of Users and Engineers to ensure that
adequate protective clothing and glasses are worn when
working with the Electrastream system.
SEALS AND INSULATIONSEALS AND INSULATION
SEALS AND INSULATIONSEALS AND INSULATION
SEALS AND INSULATION
Insulation and sealing materials are used in the construction
of the Electrastream cylinders. Units are sealed and when
used in the manner for which they are intended the insulating
and sealing materials do not present any known hazard.
However always observe the following recommendations:-
1. Avoid inhalation of fibres or dust, wear face mask.
2. Avoid eye contamination by fibres or dust - wear eye
protection.
3. As far as possible avoid any skin contact with Fibreglass
Insulation, Glass Rope, Mineral Wool, Insulation Pads and
Ceramic Fibre.
PP
PP
P
atent application 01514800.2atent application 01514800.2
atent application 01514800.2atent application 01514800.2
atent application 01514800.2
©©
©©
©
2010 GAH (HEATING PRODUCTS) L 2010 GAH (HEATING PRODUCTS) L
2010 GAH (HEATING PRODUCTS) L 2010 GAH (HEATING PRODUCTS) L
2010 GAH (HEATING PRODUCTS) L
TD.TD.
TD.TD.
TD.
ElectrastrElectrastr
ElectrastrElectrastr
Electrastr
eam is a Team is a T
eam is a Team is a T
eam is a T
rademark of GAH (HEATING PRODUCTS) Lrademark of GAH (HEATING PRODUCTS) L
rademark of GAH (HEATING PRODUCTS) Lrademark of GAH (HEATING PRODUCTS) L
rademark of GAH (HEATING PRODUCTS) L
TD.TD.
TD.TD.
TD.
Manual by Harber Technical Services Tel/Fax 01263 515444
E-mail:info@harbertech.co.uk www.harbertech.co.uk
GAH (Heating PrGAH (Heating Pr
GAH (Heating PrGAH (Heating Pr
GAH (Heating Pr
oducts) Ltd.oducts) Ltd.
oducts) Ltd.oducts) Ltd.
oducts) Ltd.
Building 846
Bentwaters Parks
Rendlesham
Woodbridge
Suffolk IP12 2TW
TT
TT
T
el:el:
el:el:
el:
01394 42116001394 421160
01394 42116001394 421160
01394 421160
Fax:Fax:
Fax:Fax:
Fax:
01394 42117001394 421170
01394 42117001394 421170
01394 421170
email: mail@gah.co.uk
www.gah.co.uk
In pursuance of a policy of constant development, GAH (HEATING PRODUCTS) LIMITED
reserve the right to change Electrastream parts or design without notice, therefore
certain details included in this manual may not be correct at the time of printing. Any
modification and improvements detailed in this manual does not commit GAH to update
any system previously supplied.
Manual Part No. ...................MAN1019
Manual Ref ..........................ES02
Issue ...................................13
Date ....................................25/02/13
GAH (HEATING PRODUCTS) LIMITED will not accept
responsibility for any damage or personal injury caused
by not giving due consideration to the above safety
recommendations.
OTHER MATERIALSOTHER MATERIALS
OTHER MATERIALSOTHER MATERIALS
OTHER MATERIALS
SEALANTS, ADHESIVES AND PAINTS
Sealants, Adhesives and Paints are used in the construction of
the Electrastream components. When used in the manner for
which they are intended they do not present any known hazard.
ELECTRICELECTRIC
ELECTRICELECTRIC
ELECTRIC
The Cylinder Tri-Core Heater, Pump, Thermostats and Contactor
Box all have electrical supply of 230V (enough to endanger
life).
Always isolate before connection, adjustment, servicing and
repair.
When the Tri-Core Heater cover is removed high power live
electrical terminals are exposed.
ISOLATE THE TRI-CORE HEATER BEFORE REMOVING ITS
COVER.
Earth protection - Earth Continuity Conductors must be fitted
and must comply with IEE Wiring Regulations.
HTS REF GAH ELECTRASTREAM 25/02/13
HEALHEAL
HEALHEAL
HEAL
TH & SAFETYTH & SAFETY
TH & SAFETYTH & SAFETY
TH & SAFETY
8
11
11
1






























































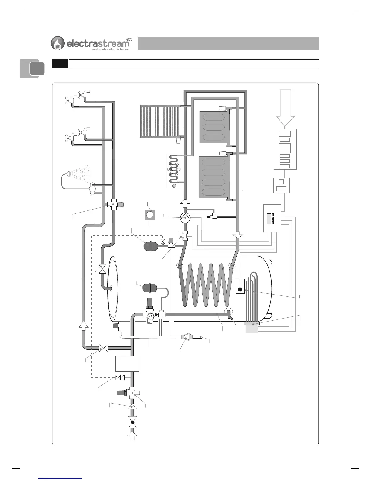
Fig. 1-2a Typical Schematic Installation - Electrastream
1-2 System Layout
INTRODUCTION 1INTRODUCTION 1
INTRODUCTION 1INTRODUCTION 1
INTRODUCTION 1
1-2.1 Electrastream

Other manuals for GAH Electrastream