EasyManua.ls Logo

GAH Electrastream - Electrastream Plus System Layout

GAH Electrastream
56 pages
Print Icon
To Next Page IconTo Next Page
To Next Page IconTo Next Page
To Previous Page IconTo Previous Page
To Previous Page IconTo Previous Page
Loading...
3
CONTENTSCONTENTS
CONTENTSCONTENTS
CONTENTS
1 INTRODUCTION1 INTRODUCTION
1 INTRODUCTION1 INTRODUCTION
1 INTRODUCTION
2 OPERA2 OPERA
2 OPERA2 OPERA
2 OPERA
TOR CONTROLSTOR CONTROLS
TOR CONTROLSTOR CONTROLS
TOR CONTROLS
3 TECHNICAL INFORMA3 TECHNICAL INFORMA
3 TECHNICAL INFORMA3 TECHNICAL INFORMA
3 TECHNICAL INFORMA
TIONTION
TIONTION
TION
5 COMMISSIONING5 COMMISSIONING
5 COMMISSIONING5 COMMISSIONING
5 COMMISSIONING
7 F7 F
7 F7 F
7 F
AULAUL
AULAUL
AUL
T FINDINGT FINDING
T FINDINGT FINDING
T FINDING
CONTENTSCONTENTS
CONTENTSCONTENTS
CONTENTS
ImporImpor
ImporImpor
Impor
tant Informationtant Information
tant Informationtant Information
tant Information
----------------------------------------------------------------------------------
----------------------------------------------------------------------------------
----------------------------------------- 4
Section 1 IntrSection 1 Intr
Section 1 IntrSection 1 Intr
Section 1 Intr
oductionoduction
oductionoduction
oduction
1-1 Introduction ---------------------------------------------- 5
1-2 System Layout ------------------------------------------- 8
1-3 Parts Supplied------------------------------------------- 11
1-4 The Electrastream System ------------------------------- 12
1-5 Tri Core Heater Operation -------------------------------- 13
Section 2 Operator ContrSection 2 Operator Contr
Section 2 Operator ContrSection 2 Operator Contr
Section 2 Operator Contr
olsols
olsols
ols
2-1 System Control ------------------------------------------ 14
2-2 Electrastream Control Unit ------------------------------- 16
2-3 Shut Off Valves ------------------------------------------ 20
2-4 Temperature & Pressure Relief Discharge ---------------- 22
2-5 Thermostatic Mixing Valve ------------------------------ 22
2-6 Servicing ------------------------------------------------ 22
Section 3 TSection 3 T
Section 3 TSection 3 T
Section 3 T
echnical Informationechnical Information
echnical Informationechnical Information
echnical Information
3-1 Specifications ------------------------------------------- 23
3-2 Dimensions --------------------------------------------- 25
3-3 Wiring --------------------------------------------------- 29
Section 4 InstallationSection 4 Installation
Section 4 InstallationSection 4 Installation
Section 4 Installation
4-1 Building Control ----------------------------------------- 31
4-2 Electrical ------------------------------------------------ 31
4-3 Hot Water System --------------------------------------- 33
4-4 Heating System ----------------------------------------- 37
4-5 Expansion Discharge ------------------------------------ 40
4-6 System Pressure ---------------------------------------- 43
4-7 Electrastream Connections - ---------------------------- 44
Section 5 CommissioningSection 5 Commissioning
Section 5 CommissioningSection 5 Commissioning
Section 5 Commissioning
5-1 Commissioning ----------------------------------------- 47
Section 6 ServicingSection 6 Servicing
Section 6 ServicingSection 6 Servicing
Section 6 Servicing
6-1 Routine Service ----------------------------------------- 50
Section 7 Fault FindingSection 7 Fault Finding
Section 7 Fault FindingSection 7 Fault Finding
Section 7 Fault Finding
7-1 Fault Finding -------------------------------------------- 52
Health & SafetyHealth & Safety
Health & SafetyHealth & Safety
Health & Safety
------------------------------------------------------------
------------------------------------------------------------
------------------------------ Inside Front Cover
6 SERVICING6 SERVICING
6 SERVICING6 SERVICING
6 SERVICING
4 INST4 INST
4 INST4 INST
4 INST
ALLAALLA
ALLAALLA
ALLA
TIONTION
TIONTION
TION
IMPORTANT
BEFORE STARTING THE INSTALLATION OF THE ELECTRASTREAM CHECK ALL COMPONENTS HAVE
BEEN DELIVERED AND ARE IN SATISFACTORY CONDITION - Refer to 1-3 .
HEALHEAL
HEALHEAL
HEAL
TH & SAFETYTH & SAFETY
TH & SAFETYTH & SAFETY
TH & SAFETY
9
11
11
1
INTRODUCTION 1INTRODUCTION 1
INTRODUCTION 1INTRODUCTION 1
INTRODUCTION 1
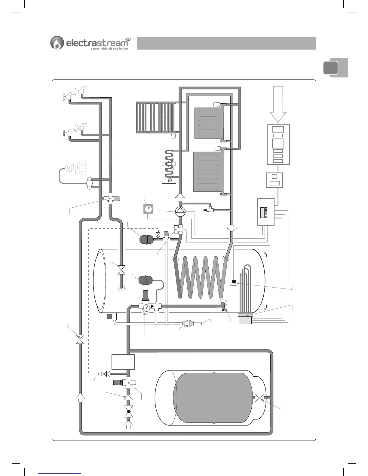
Accumulator
FLOW 22mm
RETURN 22mm
PRV
Unvented
Cylinder
22mm Incoming
mains supply
Bypass
Pump
& valves
Tri-core Heater Combined 3 x 3kW
Room Thermostat
2 Pole
Isolator
TPRV
PRV
Balanced cold supply to taps
Hot supply to t
a
Thermostatic
Shower
Combination
Valve
Thermostatic Mixing Valve -
limits temperature of hot water to taps
Single Check Valve
Economy Ta
r
Heating System Fill 15mm
Kitchen
Kick Space Heater
Shower Room
Towel Rail
RCD
Consumer Unit with RCD
Drain 15mm
Cylinder Temperature Sensor
& Thermal Cut Out
Discharge
Hot Water
Expansion
Vessel
Cold water storage
Isolating Valve
Isolating Valve
15mm
22mm
22mm
Water
Softener
(option)
Motorised
Valve
28mm
28mm
3.5 Bar Pressure
Reducing Valve
Isolating Valve
Tundish
Heating Expansion Vessel 8l
No valves to be fitted between PRV
and Expansion Vessel
Electrastream
Control Unit
Fig. 1-2b Typical Schematic Installation - Electrastream Plus 130 & 150
1-2.2 Electrastream Plus

Other manuals for GAH Electrastream