EasyManua.ls Logo

GAI-Tronics IPE2500A - Installation; Planning the Installation; Mounting; FCC Interference Warnings

GAI-Tronics IPE2500A
87 pages
Print Icon
To Next Page IconTo Next Page
To Next Page IconTo Next Page
To Previous Page IconTo Previous Page
To Previous Page IconTo Previous Page
Loading...
37 03/12
Installation
Planning the Installation
Mechanical Receipt Inspection
The desk sets are shipped in a cardboard container with inserts. Thoroughly inspect it as soon as possible
after delivery. In-transit damage should be immediately reported to the transportation company.
Mounting
The desk sets can be placed on a desk or mounted vertically on a wall. To wall mount the desk set,
remove the four bottom screws from the base and then rotate the base 180. Reinstall the four screws to
the base and rotate the handset hook located on the front of the unit.
N
OTE: Certain configurations restrict wall mounting.
FCC Interference Warnings
The FCC requires that manuals pertaining to Class A and Class B computing devices contain warnings
about possible interference with local and residential radio and TV reception. Please read these warnings
and all safety information in the “Foreword” section of this manual.
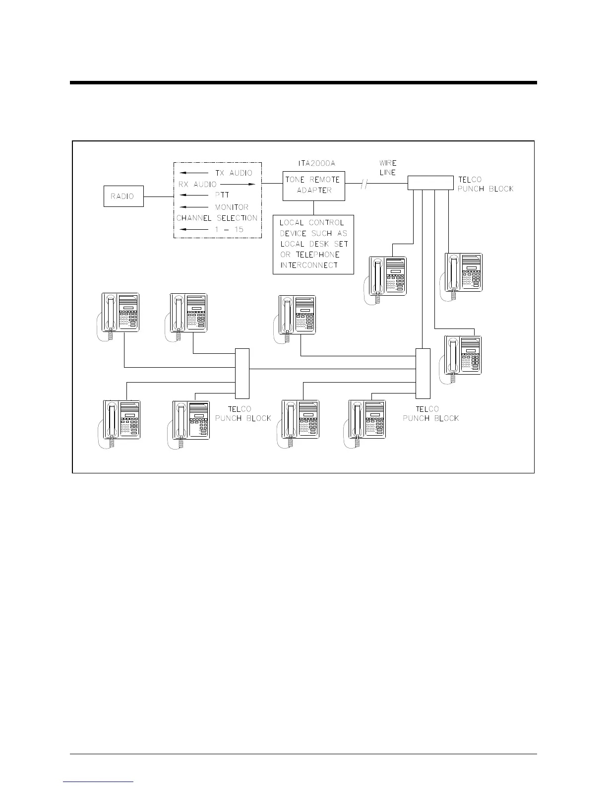
IPE2500A Sample Installation Diagram - Shown connected in parallel.

Table of Contents

Related product manuals