EasyManua.ls Logo

GAI-Tronics IPE2500A - Page 75

GAI-Tronics IPE2500A
87 pages
Print Icon
To Next Page IconTo Next Page
To Next Page IconTo Next Page
To Previous Page IconTo Previous Page
To Previous Page IconTo Previous Page
Loading...
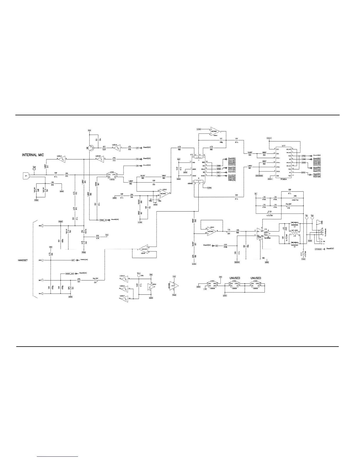
IPE2500A and IPE2500A-MLS Paging Encoder/Desktop Controller Schematics
69
Tone RC Desk Set - User Audio I/O - Sheet 2

Table of Contents

Related product manuals