EasyManua.ls Logo

GAI-Tronics ITR2000A - Page 39

GAI-Tronics ITR2000A
44 pages
Print Icon
To Next Page IconTo Next Page
To Next Page IconTo Next Page
To Previous Page IconTo Previous Page
To Previous Page IconTo Previous Page
Loading...
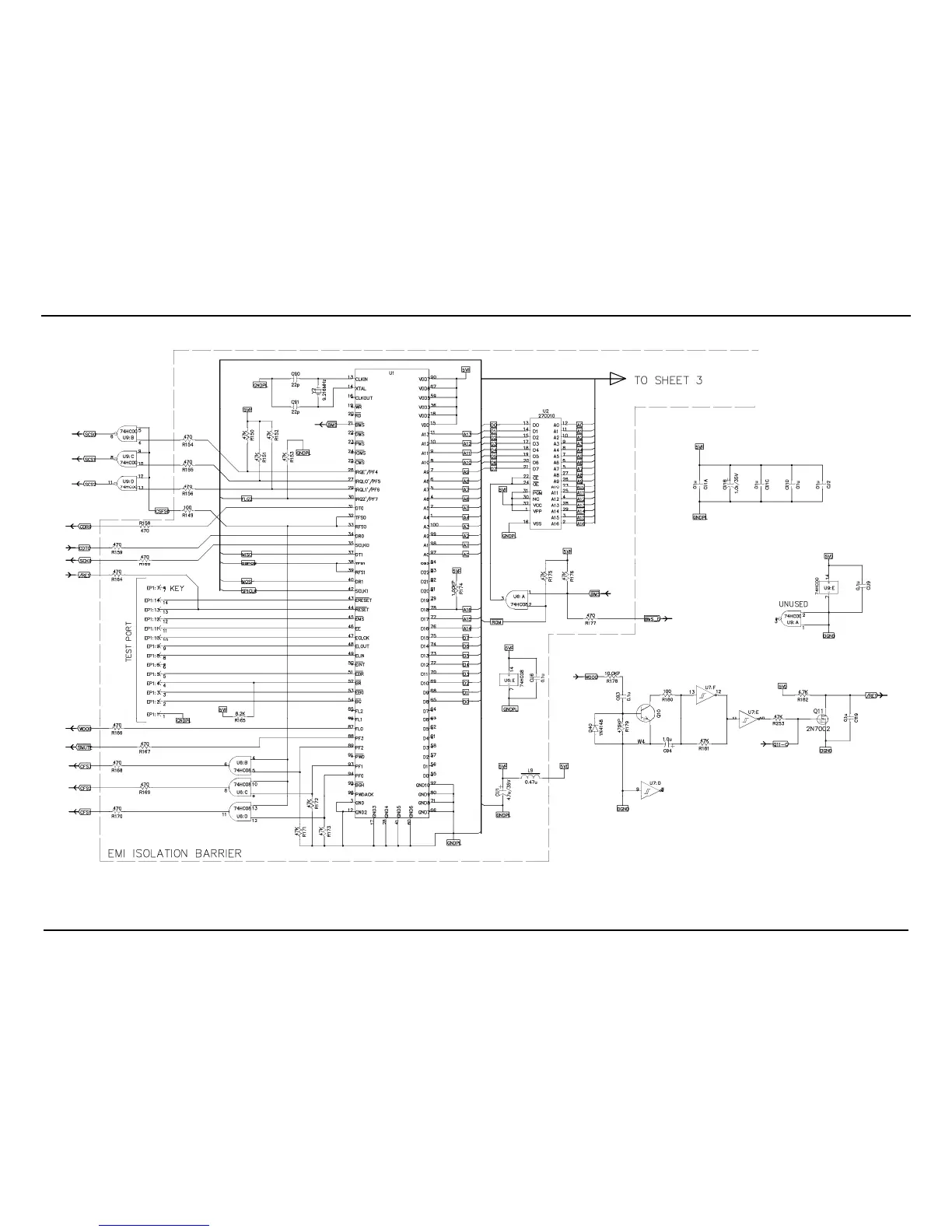
ITR2000A Tone Remote Desk Set Schematics
35
DSP Block Schematic Diagram - Sheet 4

Table of Contents

Related product manuals