EasyManua.ls Logo

GANSHORN PowerCube-Ergo - Page 23

GANSHORN PowerCube-Ergo
80 pages
Print Icon
To Next Page IconTo Next Page
To Next Page IconTo Next Page
To Previous Page IconTo Previous Page
To Previous Page IconTo Previous Page
Loading...
GANSHORN Medizin Electronic GmbH Service Manual Ref.No. 03 140 0 046
PowerCube-Ergo-CASE_ENG_rev.02, 23.11.2012 Chapter 2, system description , page 7 of 10
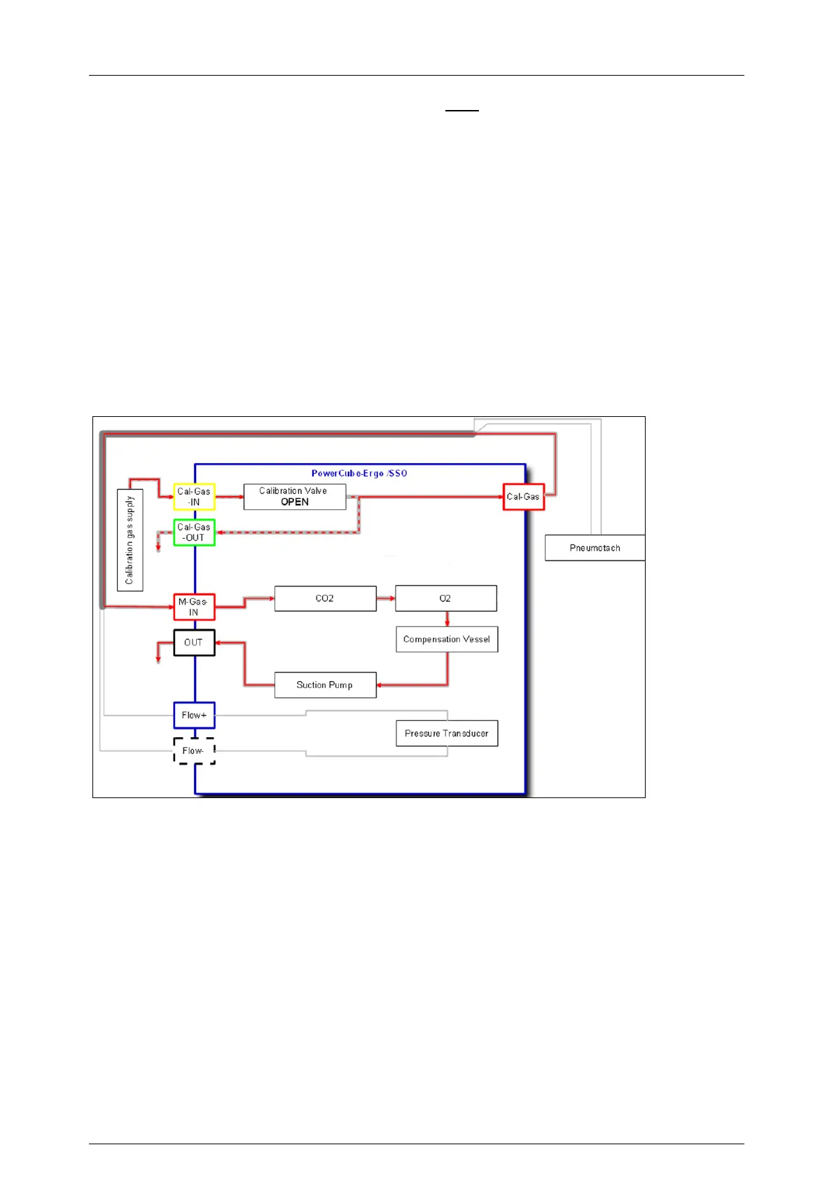
Gas flow to the analyzers during gas calibration with open calibration gas valve:
When the calibration valve is opened,
the pressure reducer provides calibration gas coming from the calibration gas bottle
through the calibration gas connection tube
through the Cal-gas-in-socket
to the calibration gas valve
into the T-piece
through the second end of the T-piece and the Cal-gas-out-socket into the room air
The suction pump sucks the gas sample (calibration gas)
from the third end of the T-piece
through the calibration gas socket on the front of the PowerCube
through the gas drying tube / patient tube
through both gas analyzers (O2, CO2)
through the compensation vessel
The gas sample leaves the PowerCube through the pump and the sound absorber
Pict.: Block diagram PowerCube-Ergo, gas flow during a ergo-calibration (gas calibration),
calibration valve open (Red: gas sample from calibration gas. Dashed line: calibration gas)