EasyManua.ls Logo

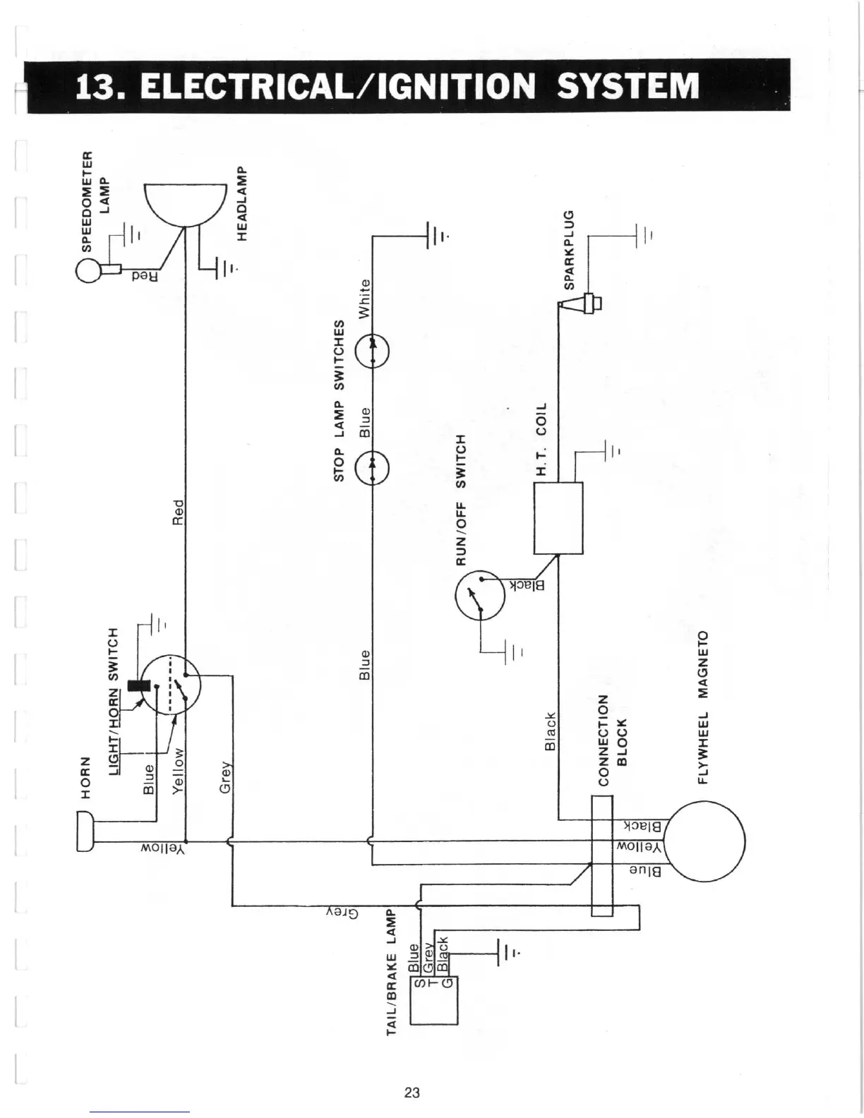
Garelli 49cc - 13. Electrical;Ignition System; Ignition System Components; Ignition Voltage Generation

Default Icon
34 pages
Print Icon
To Next Page IconTo Next Page
To Next Page IconTo Next Page
To Previous Page IconTo Previous Page
To Previous Page IconTo Previous Page
Loading...