EasyManua.ls Logo

GarettCom 5844HRT - Page 19

Default Icon
38 pages
Print Icon
To Next Page IconTo Next Page
To Next Page IconTo Next Page
To Previous Page IconTo Previous Page
To Previous Page IconTo Previous Page
Loading...
Models 5843, 5844, 5843S and 5844S
RS232 or TTL
2-
5
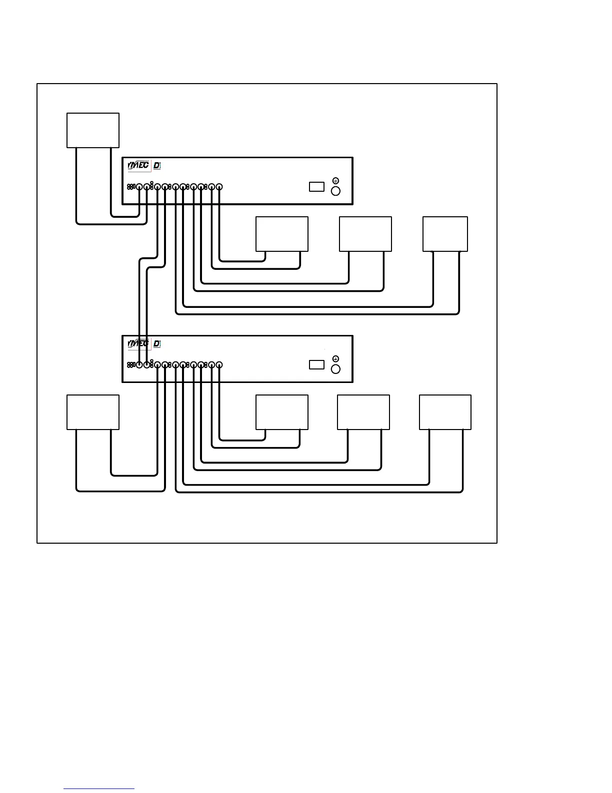
MODEL OS5 FIBER OPTIC STAR
MODEL OS5 FIBER OPTIC STAR
Master
IED
TR
Slave
IED
TR
Slave
IED
TR
Slave
IED
TR
Slave
IED
TR
Slave
IED
TR
Slave
IED
TR
Slave
IED
TR
FIGURE
9. Optical Star Configuration
(OS5 cascaded to an OS5)

Related product manuals