EasyManua.ls Logo

GARO TWIN+ - Page 15

GARO TWIN+
23 pages
Print Icon
To Next Page IconTo Next Page
To Next Page IconTo Next Page
To Previous Page IconTo Previous Page
To Previous Page IconTo Previous Page
Loading...
USER MANUAL
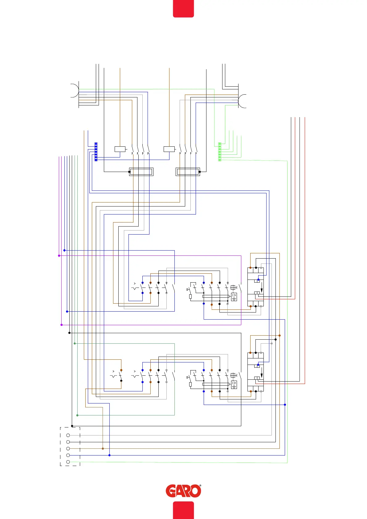
L3
L2
L1
N
PE
-X1
1
2
5
3
6
4
7
8
A1
A2
-QA1
12
5
3
6
4
7
8
A1
A2
-QA2
CT2
CT1
CT1
CT2
-XPE1-XN1
CC1
CC2
T1
HÖGER SIDA
NSTER SIDA
123
456
98
NN
-P2
123
456
98
NN
-P1
10A
-FC3
I
2
1
N 6
-FB1
40A
N 51 3
2 4
mA
30
14
13
N 6
-FB2
40A
N 51 3
2 4
mA
30
14
13
I
32A
-FC2
5
6
7
8
1
2
3
4
24
23
I
32A
-FC1
5
6
7
8
1
2
3
4
24
23
AC PLINT
CC1 - Relais 24
CC2 - Relais 24
CC2 - A Mod
CC2 - B-Modbus
CC1 - A Mod
CC1 - B-Modbus
CP
PP
L1
L2
L3
PE
N
-XD1
Red
White CC1-CP
CC1-PP
CP
PP
L1
L2
L3
PE
N
-XD2
CC2-PP
CC2-CP
Red
White
Purple
Purple
Dark Blue
Dark Blue
White
White
Green
Green
KF1/R17
KF1/R18
KF1/R19
KF1/R20
15
EN

Related product manuals