EasyManua.ls Logo

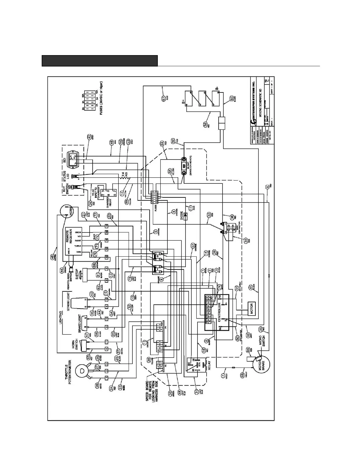
Gatekeeper Systems CartManager HD - Wiring Diagram; XDWI

Gatekeeper Systems CartManager HD
60 pages
Print Icon
To Next Page IconTo Next Page
To Next Page IconTo Next Page
To Previous Page IconTo Previous Page
To Previous Page IconTo Previous Page
Loading...
CartManager XD Field Technician Guide Page 29
XDW

Related product manuals