EasyManua.ls Logo

Gatekeeper Systems CartManager HD - CartManager XD Views; CartManager XD Rear View (XDW & XDWI)

Gatekeeper Systems CartManager HD
60 pages
Print Icon
To Next Page IconTo Next Page
To Next Page IconTo Next Page
To Previous Page IconTo Previous Page
To Previous Page IconTo Previous Page
Loading...
CartManager XD Field Technician Guide Page 3
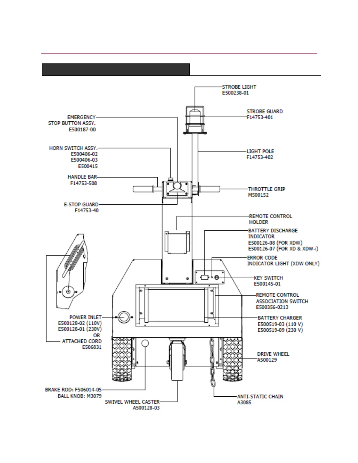
CartManager XD Views
CartManager XD Rear View (XDW & XDWi)

Related product manuals