EasyManua.ls Logo

GE 845 - Page 187

GE 845
552 pages
Print Icon
To Next Page IconTo Next Page
To Next Page IconTo Next Page
To Previous Page IconTo Previous Page
To Previous Page IconTo Previous Page
Loading...
CHAPTER 4: SETPOINTS DEVICE
845 TRANSFORMER PROTECTION SYSTEM – INSTRUCTION MANUAL 4–59
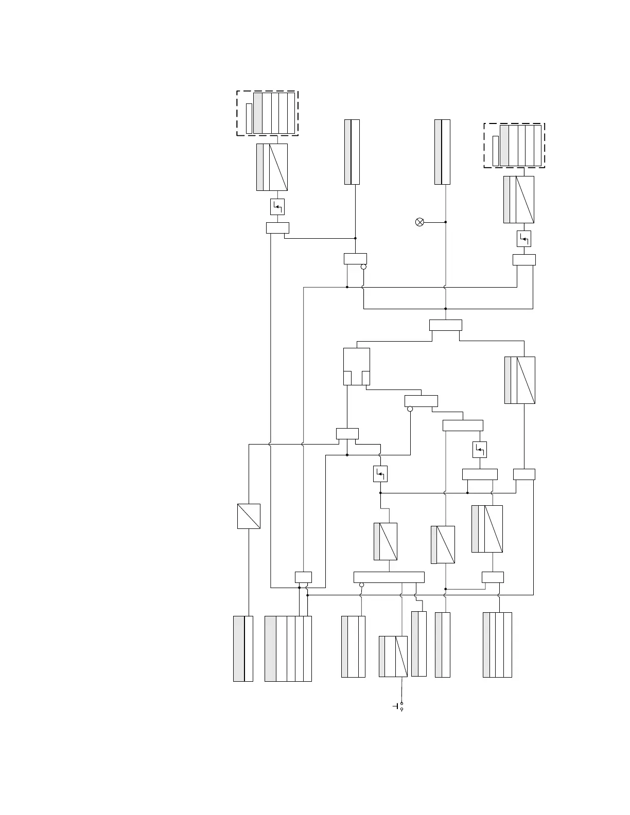
Figure 4-15: Pushbuttons Logic Diagram
894163A1.CDR
SETPOINT
Pushbutton 1 Function
SETPOINT
Pushbutton 1 Lock
Off (Flexoperand)
t
PKP
Pushbutton 1 Hold
0
SETPOINT
Self-Reset
Latched
Disabled
FLEXLOGIC OPERAND
Pushbutton 1 OFF
200
msec
0 msec
AND
PB
AND
LATCH
SET
RST
Non Volatile Latch
`
Autoreset Function
Disabled
Enabled
AND
FLEXLOGIC OPERAND
Pushbutton 1 ON
t
PKP
0
OR
60 ms
0
TIMER
AND
`
AND
200 ms
0
TIMER
OR
OR
SETPOINT
Drop-Out Timer
t
RST
0
SETPOINT
Auto-Reset Delay
SETPOINT
AND
OR
Latched/Self-Reset
Latched
AND
FLEXLOGIC OPERAND
Pushbutton 1 OFF
FLEXLOGIC OPERAND
Pushbutton 1 ON
`
SETPOINT
Flash Message Time
t
RST
0
SETPOINT
PB 1 ID Text:
LCD MESSAGE
PB 1 OFF Text:
XXXXXXXXXX
XXXXXXXXXX
ENGAGE MESSAGE
AND
`
SETPOINT
Flash Message Time
t
RST
0
SETPOINT
PB 1 ID Text :
LCD MESSAGE
PB 1 ON Text :
XXXXXXXXXX
XXXXXXXXXX
ENGAGE MESSAGE
PB LED
FLEXLOGIC OPERAND
IN-SERVICE

Table of Contents

Related product manuals