EasyManua.ls Logo

GE 845 - Page 296

GE 845
552 pages
Print Icon
To Next Page IconTo Next Page
To Next Page IconTo Next Page
To Previous Page IconTo Previous Page
To Previous Page IconTo Previous Page
Loading...
4–168 845 TRANSFORMER PROTECTION SYSTEM – INSTRUCTION MANUAL
PROTECTION CHAPTER 4: SETPOINTS
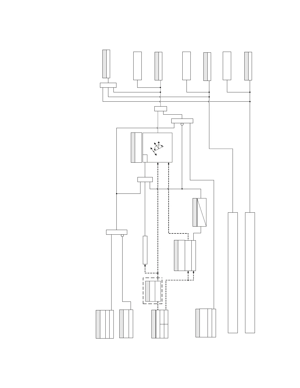
Figure 4-56: Phase Directional Overcurrent Protection logic diagram
894156A2.cdr
SETPOINT
FUNCTION:
Disabled = 0
Enabled = 1
SETPOINT
BLOCK:
Off = 0
Voltage Polarization
Vpol
FWD
REV
RUN
SETPOINT
ECA
I > 0.05 x CT
AND
OR
ACTUAL VALUES
Ia
Seq = ABC Seq = ACB
Vbc Vcb
SETPOINT
REV WHEN V MEM EXP
No
Yes
SETPOINT
POLARIZING V TRESHOLD
Vact if V>= V minimum
Vmem if V< Vminimum
V>= V minimum
MEMORY TIMER
1 cycle
1 sec
AND
AND
PHASE B LOGIC SIMILAR TO PHASE A
PHASE C LOGIC SIMILAR TO PHASE A
Ph Dir OC REV A
FLEXLOGIC OPERANDS
Ph Dir OC REV B
FLEXLOGIC OPERANDS
Ph Dir OC REV C
FLEXLOGIC OPERANDS
To phase TOC & IOC
elements
To phase TOC & IOC
elements
To phase TOC & IOC
elements
OR
Ph Dir OC REV
FLEXLOGIC OPERANDS
SETPOINTS
SIGNAL INPUT:
CT Bank 1 - J1

Table of Contents

Related product manuals