EasyManua.ls Logo

GE 845 - Page 402

GE 845
552 pages
Print Icon
To Next Page IconTo Next Page
To Next Page IconTo Next Page
To Previous Page IconTo Previous Page
To Previous Page IconTo Previous Page
Loading...
4–274 845 TRANSFORMER PROTECTION SYSTEM – INSTRUCTION MANUAL
MONITORING CHAPTER 4: SETPOINTS
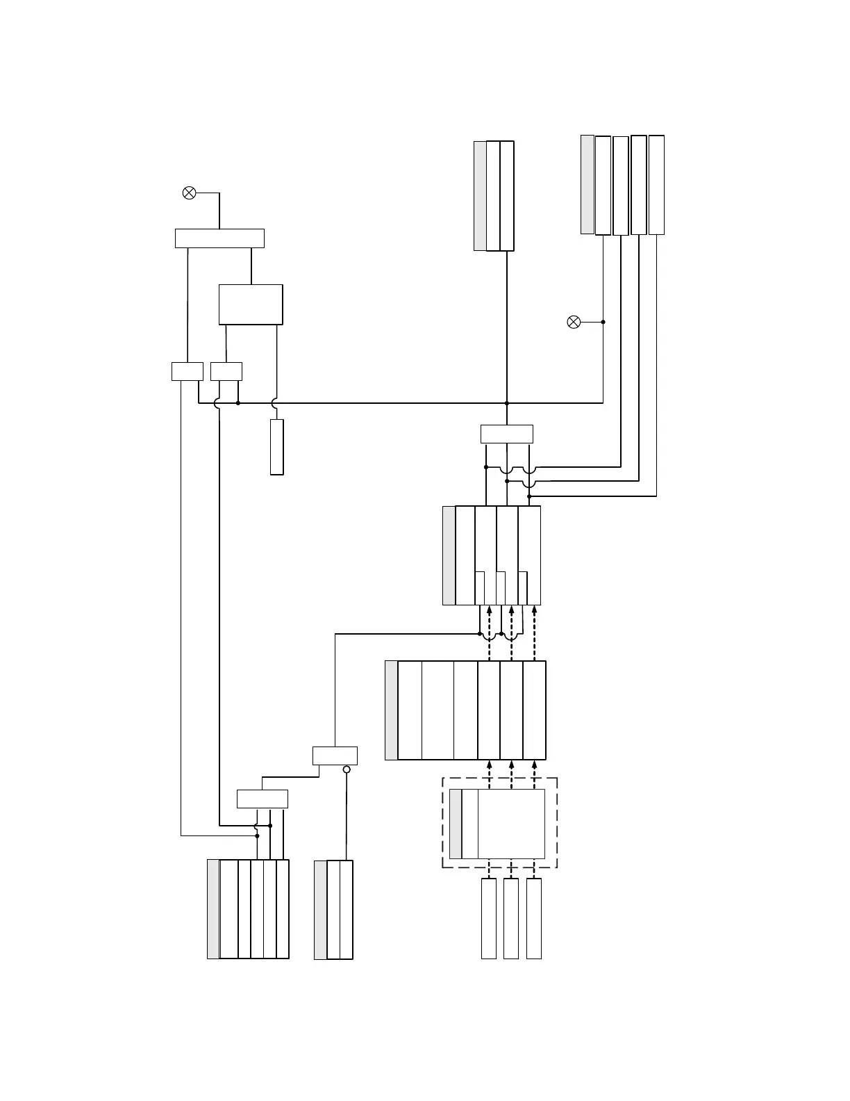
Figure 4-111: Current Demand logic diagram
894060A2.cdr
LED: PICKUP
Current Inputs
Phase A Current (IA)
SETPOINTS
BLOCK :
Off =0
AN D
SETPOINTS
FUNCTION :
Disabled
Alarm
Latched Alarm
Configurable
OR
SETPOINTS
MEASUREMENT TYPE :
Calculate Phase A
CURRENT DEMAND
SETPOINTS
PICKUP :
IA Demand PICKUP
RUN
Current Dmd1 PKP
AN D AND
Command
RESET
OR
LED: ALARM
THERMAL 90%
RESPONSE TIME :
TIME INTERVAL :
Phase B Current (IB)
Calculate Phase B
CURRENT DEMAND
Phase C Current (IC)
Calculate Phase C
CURRENT DEMAND
IB Demand PICKUP
RUN
IC Demand PICKUP
RUN
OR
Current Dmd1 PKP A
Current Dmd1 PKP B
Current Dmd1 PKP C
SETPOINTS
OUTPUT RELAYS
Do Not Operate , Operate
FlexLogic Operands
S
LATCH
Set-
Dominant
R
SETPOINTS
SIGNAL INPUT:
CT Bank 1 - J1
USED ONLY IN 845

Table of Contents

Related product manuals