EasyManua.ls Logo

GE AWCS08 - Page 23

GE AWCS08
36 pages
Print Icon
To Next Page IconTo Next Page
To Next Page IconTo Next Page
To Previous Page IconTo Previous Page
To Previous Page IconTo Previous Page
Loading...
49-5000858 Rev. 0 5
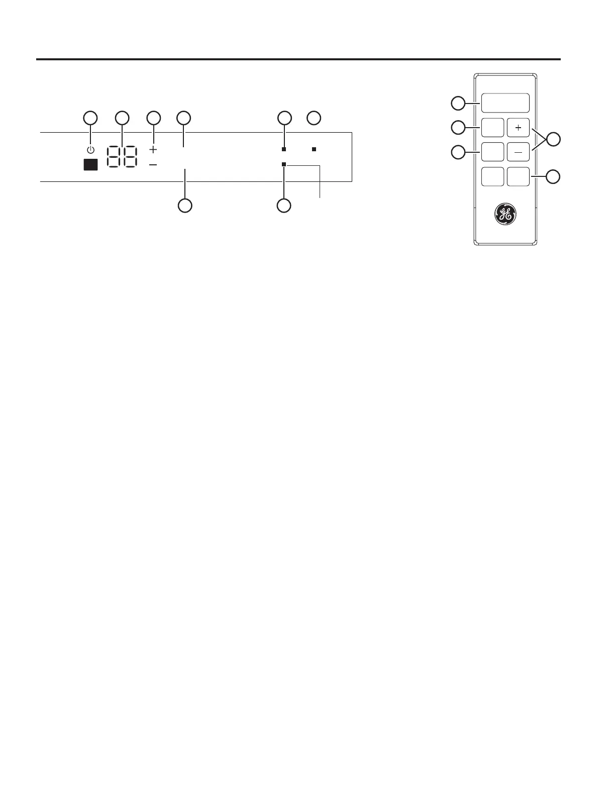
Controles
Las funciones y la apariencia podrán variar.
Las luces al lado de las teclas táctiles del panel de control del
acondicionador de aire indican las configuraciones seleccionadas.
Control Remoto
Controles del Acondicionador de Aire
La luz sólida indica que el Wi-Fi
está conectado
La luz parpadeante indica que se
está conectando
Consulte la sección
de Comunicación del
electrodoméstico de este manual
1. Tecla de Power (Encendido)
Apaga y prende el acondicionador de aire. Al encenderse, la
pantalla mostrará la temperatura Set.
2. Pantalla
Muestra la temperatura Set o el tiempo restante en el
Sincronizador de retardo. Muestra la temperatura Definida
al configurar la temperatura en los modos Cool (Frío) o de
Eco (Ahorro de energía). La luz de Ajuste se encenderá
durante la configuración.
3. Teclas de Temp Aumento + /Reducción
8VDGRSDUDDMXVWDUODWHPSHUDWXUDFXDQGRVHHQFXHQWUHHQ
el modo Cool (Frío) o Eco (Ahorro de energía). La luz de
Ajuste se encenderá durante la configuración.
4. Tecla de Mode (Modo)
8VDGRSDUDDMXVWDUHODFRQGLFLRQDGRUGHDLUHDOPRGRCool
(Frío) o Eco (Ahorro de energía).
5. Teclas de Fan Speed (Velocidad del ventilador)
En modo Cool (Frío) o Eco (Ahorro de energía)
8VHODV
mismas para configurar la velocidad del ventilador en Auto,
High (Alto), Med (Medio), o Low (Bajo) en la unidad.
En modo Teclas de Fan Speed (Velocidad del ventilador)
8VHODVPLVPDVSDUDFRQILJXUDUODYHORFLGDGGHOYHQWLODGRU
en High (Alto), Med (Medio), o Low (Bajo) en la unidad.
6. Tecla de Retraso (establecido solo por lo
Control Remoto)
Delay ON (Retraso Encendido)—Cuando el acondicionador
de aire se encuentre apagado, se podrá configurar para que
se encienda automáticamente en un período de entre 1 y 24
horas en el modo y configuraciones del ventilador previas.
Delay OFF (Retraso del Apagado)—Cuando el acondicionador de
aire se encuentre encendido, se podrá configurar automáticamente
para que se apague en un período de entre 1 y 24 horas.
Cómo configurar:
Presione la tecla Delay 5HWUDVRHQHQHOFRQWUROUHPRWR
Cada vez que presione las teclas Increase (Incrementar)
+ / Decrease (Reducir) – de control remoto se ajustará el
temporizador por intervalos de 1 hora.
Para revisar el tiempo restante en el temporizador de Delay
(Retraso), presione la tecla Delay (Retraso) de control
UHPRWR8VHODVWHFODV Increase (Incrementar) + / Decrease
(Reducir) – de control remoto para configurar un tiempo
nuevo si así lo desea.
Para cancelar el temporizador, presione la tecla reducir
en
el control remoto, hasta que el tiempo configurado --.
7. Tecla de Sleep (Dormir) (establecido solo por los
controles del acondicionador de aire)
El modo SLEEP'RUPLUFRQILJXUDODXQLGDGSDUD
que gradualmente cambie las configuraciones en un
período de 8 horas, a fin de permitir cierto incremento de
eficiencia energética durante las horas de inactividad.
El modo SLEEP'RUPLUHVWiGLVSRQLEOHVyORHQODV
configuraciones COOL)UtR\FAN9HQWLODGRU
Presione la tecla del modo SLEEP'RUPLU\ODOX]VH
encenderá. El indicador del ventilador permanecerá en
la misma configuración, pero el acondicionador de aire
cambiará automáticamente la velocidad del ventilador
a LOW%DMR\DVHDHQHOPRGRCOOL)UtRRFAN
9HQWLODGRU
En el modo FAN9HQWLODGRU~QLFDPHQWHHOYHQWLODGRU
permanecerá en la configuración de velocidad LOW
%DMRGXUDQWHKRUDV/XHJRGHKRUDVHODLUH
acondicionado se apagará
En el modo COOL)UtRHOYHQWLODGRUSHUPDQHFHUi
en la configuración de velocidad LOW%DMRGXUDQWH
8 horas desde el momento en que la tecla del modo
SLEEP'RUPLUVHDSUHVLRQDGD(ODFRQGLFLRQDGRU
de aire también elevará el punto de configuración 2°F
en 30 minutos y 2°F más en otros 30 minutos, donde
permanecerá durante las siguientes 7 horas. Luego de 8
horas, el aire acondicionado se apagará
Mientras la unidad está en modo SLEEP'RUPLUDO
SUHVLRQDUFXDOTXLHUERWyQH[FHSWRHOERWyQ:,),OD
unidad saldrá del modo SLEEP'RUPLU
8. Tecla de Reinicio del Filtro
Esta función automática le notifica que el filtro de aire debe
ser limpiado. La luz indicadora se encenderá luego de 250
KRUDVGHIXQFLRQDPLHQWR/LPSLHHOILOWURGHDLUHFRQVXOWHOD
SiJLQDYXHOYDDFRORFDUORHQHOSDQHOIURQWDO\SUHVLRQH
la tecla Filter Reset5HLQLFLRGHO)LOWUR/DOX]VHDSDJDUi
9. WiFI Connect
WiFi Connect le permite la conexión del acondicionador
GHDLUHDO:L)LGHOKRJDU'HVFDUJXHORVGHWDOOHVGHOD
Aplicación en www.GEAppliances.com/connect.
Sleep
L
ow
Aut
o
Speed
Mode
WiFi
Me
d
C
ool
Hi
g
h
Fa
n
E
co
Filter
1 2 3 4
5
8 7
9
USO DEL ACONDICIONADOR DE AIRE: Controles
Power
Speed
Mode
Eco
Delay
1
4
5
6
3

Related product manuals