EasyManua.ls Logo

GE AWCS12WWF - Page 5

GE AWCS12WWF
36 pages
Print Icon
To Next Page IconTo Next Page
To Next Page IconTo Next Page
To Previous Page IconTo Previous Page
To Previous Page IconTo Previous Page
Loading...
49-5000469 Rev. 5 5
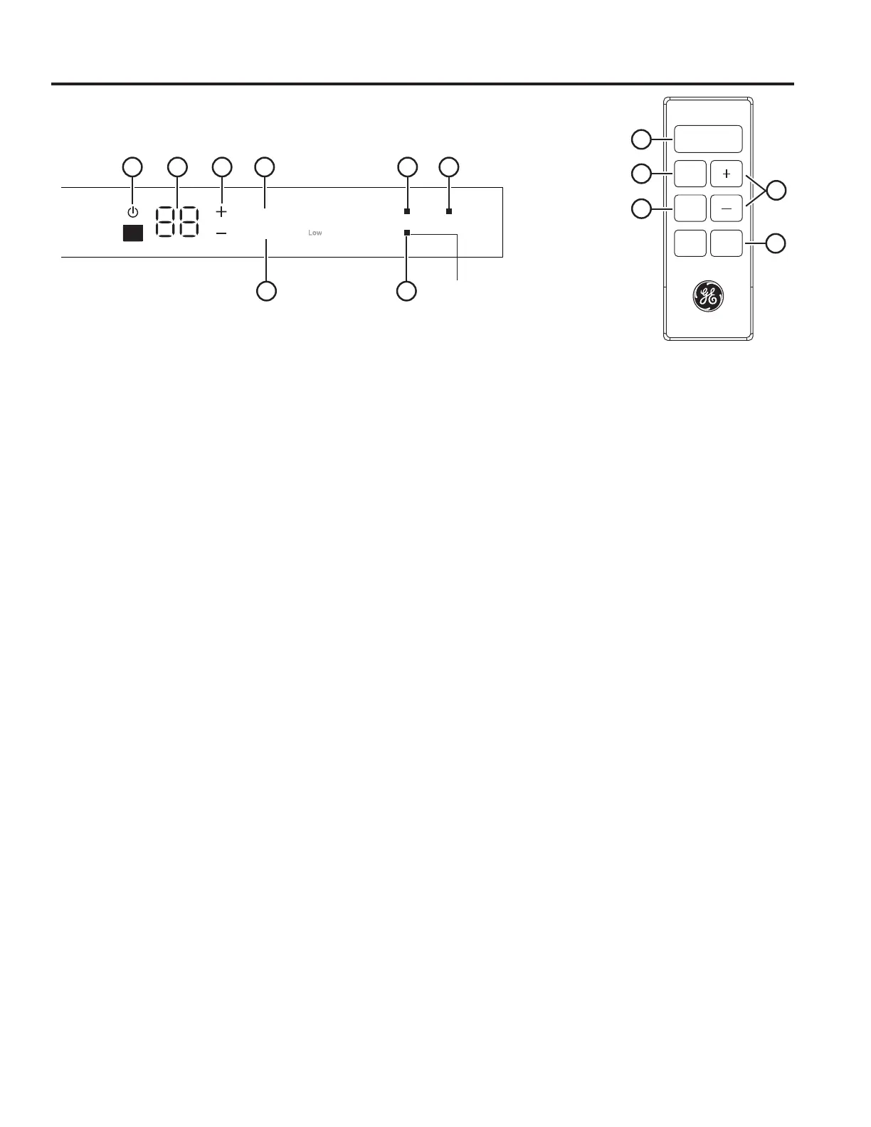
Controls
Features and appearance will vary.
Lights beside the touch pads on the air conditioner control panel
indicate the selected settings.
Remote Control
Air Conditioner Controls
Sleep
Aut
o
Speed
Mode
WiFi
Me
d
C
ool
Hi
g
h
Fa
n
E
co
Filter
1 2 3 4
5
8 7
9
1. Power Pad
Turns air conditioner on and off. When turned on, the
display will show the set temperature.
2. Display
Shows the set temperature or time remaining on the
Delay timer. Shows the Set temperature while setting
the temperature in Cool or Eco modes.
3. Temp and Delay Increase + /Decrease - Pads
8VHWRVHWWHPSHUDWXUHRUGHOD\WLPH7HPSHUDWXUHFDQ
be set in Cool and Eco mode.
4. Mode Pad
8VHWRVHWWKHDLUFRQGLWLRQHUWR Fan Only, Cool, or
Eco mode.
5. Fan Speed Pad
In Cool or Eco PRGH8VHWRVHWWKHIDQVSHHGWR
Auto, High, Med or Low on the unit.
In Fan Only PRGH8VHWRVHWWKHIDQVSHHGWR High,
Med, or Low on the unit.
6. Delay Pad (set by remote control only)
Delay ON—When the air conditioner is off, it can be
set to automatically come on in 1 to 24 hours at its
previous mode and fan settings.
Delay OFFWhen the air conditioner is on, it can be
set to automatically turn off in 1 to 24 hours.
How to set:
Press the Delay pad on the remote control. Each
touch of the Increase + / Decrease pads on the
remote control will set the timer in 1-hour intervals.
To review the remaining time on the Delay timer, press
the Delay SDGRQWKHUHPRWHFRQWURO8VHWKH Increase
+ / Decrease pads on the remote control to set a
new time if desired.
To cancel the timer, press Decrease pad on the
remote control until the set time is --.
7. Sleep Pad (set by air conditioner controls only)
The SLEEP mode sets the unit to gradually change
settings over an 8 hour period to allow for some
increased energy efficiency during sleep hours.
The SLEEP mode is available only in COOL and
FAN only settings.
Press the SLEEP mode pad and its light will
illuminate. The fan indicator will stay at the same
setting but the air conditioner will automatically
change the FAN speed to low in either COOL or
FAN only mode.
In FAN only mode, the fan will stay in the LOW
speed setting for 8 hours. After 8 hours, the air
conditioner will turn off.
In COOL mode, the fan will stay in the LOW speed
setting for 8 hours from the time the SLEEP mode
pad was pressed. The air conditioner will also raise
the set point 2°F in 30 minutes and 2°F more in
another 30 minutes where it will remain for the next
7 hours. After 8 hours, the air conditioner will turn
off.
While the unit is in SLEEP mode, pressing any pad
(except WIFI pad), the unit will exit SLEEP mode..
8. Filter Reset Pad
This feature automatically notifies you that the air filter
must be cleaned. The indicator light will come on after
250 hours of operation. Clean the air filter (refer to
page 7), place it back in the front panel, and press the
Filter Reset pad. The light will go off.
9. WiFi Connect Pad
Enables connection of the air conditioner to the
home WiFi. Download App for details at:
www.GEAppliances.com/connect.
Solid light indicates WiFi
connected
Blinking light indicates
connecting
See Appliance Communication
section in this manual
USING THE AIR CONDITIONER: Controls
Power
Speed
Mode
Eco
Delay
1
4
5
6
3