EasyManua.ls Logo

GE Café series - Page 52

GE Café series
67 pages
Print Icon
To Next Page IconTo Next Page
To Next Page IconTo Next Page
To Previous Page IconTo Previous Page
To Previous Page IconTo Previous Page
Loading...
52 /
Copyright General Electric 2011
11/28/2011
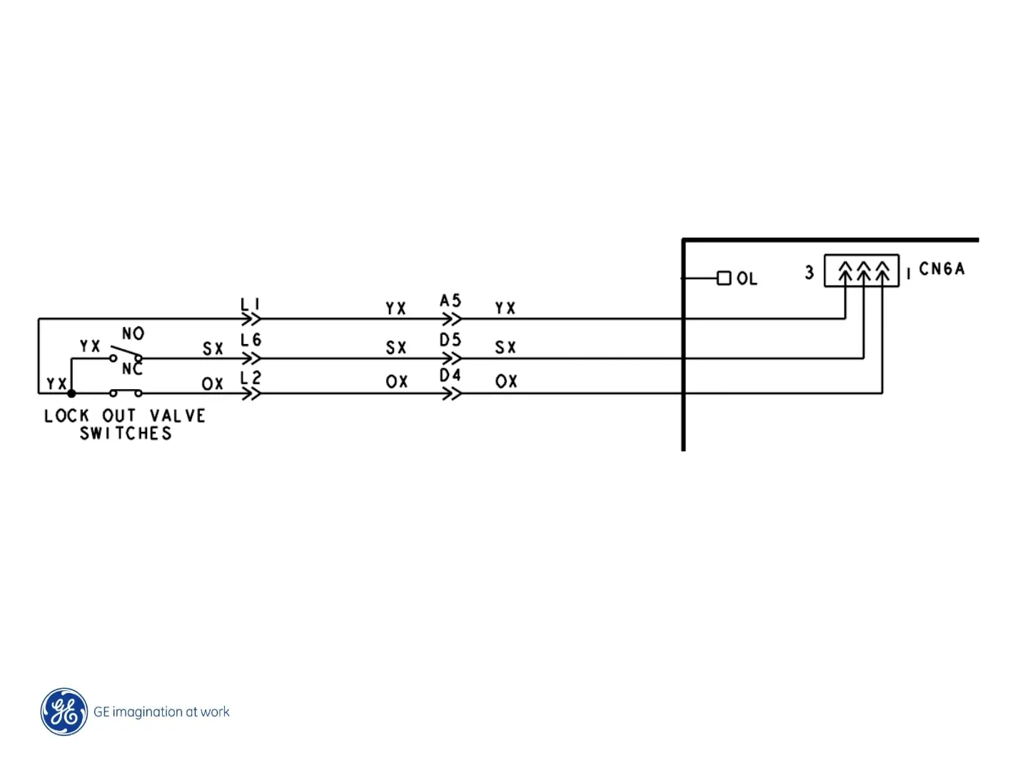
Gas Lockout Valve
The gas lockout valve incorporates two positioning switches to allow the ERC to know
the position of the lockout valve. Yellow to Orange closes when the valve is open and
allowing gas flow to the cooktop. This switch opens and Yellow to Silver close when the
valve is closed.
ERC
Loss of the Yellow to Orange contact will cause the lockout motor to run continuously
and LOC will flash in the ERC display. Loss of the Yellow to Silver will cause the lockout
motor to run continuously when Lock Out or Clean is selected; LOC will flash in the
display. LOC will display steady when the cooktop is locked out.

Other manuals for GE Café series

Related product manuals