EasyManua.ls Logo

GE CT ProSpeed Series

GE CT ProSpeed Series
184 pages
To Next Page IconTo Next Page
To Next Page IconTo Next Page
To Previous Page IconTo Previous Page
To Previous Page IconTo Previous Page
Loading...
*( 0(',&$/ 6<67(06 &7 35263((' 6(5,(6 ,167$//$7,21

5(9
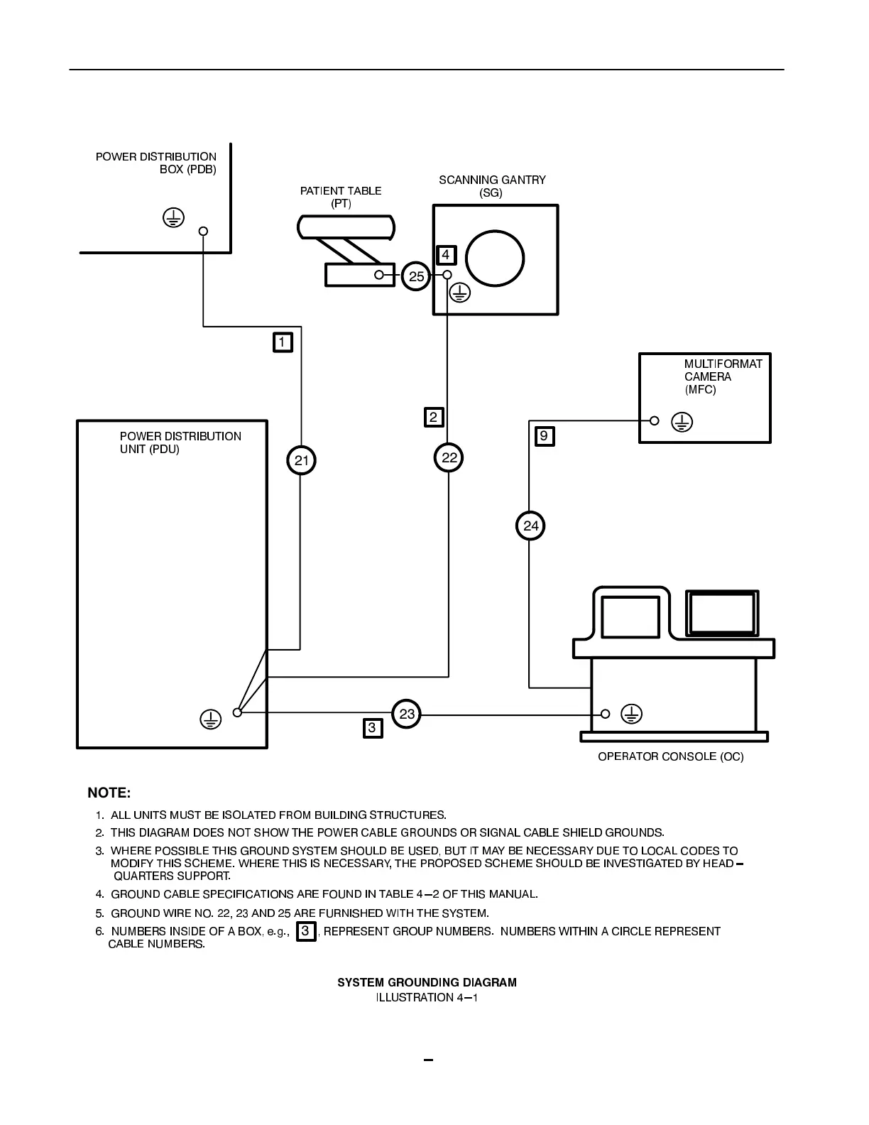
32:(5 ',675,%87,21
%2; 3'%
32:(5 ',675,%87,21
81,7 3'8
3$7,(17 7$%/(
37
6&$11,1* *$175<
6*
23(5$725 &2162/( 2&
08/7,)250$7
&$0(5$
0)&
127(
 $// 81,76 0867 %( ,62/$7(' )520 %8,/',1* 6758&785(6
 7+,6 ',$*5$0 '2(6 127 6+2: 7+( 32:(5 &$%/( *5281'6 25 6,*1$/ &$%/( 6+,(/' *5281'6
 :+(5( 3266,%/( 7+,6 *5281' 6<67(0 6+28/' %( 86(' %87 ,7 0$< %( 1(&(66$5< '8( 72 /2&$/ &2'(6 72
02',)< 7+,6 6&+(0( :+(5( 7+,6 ,6 1(&(66$5< 7+( 352326(' 6&+(0( 6+28/' %( ,19(67,*$7(' %< +($'
48$57(56 6833257
 *5281' &$%/( 63(&,),&$7,216 $5( )281' ,1 7$%/(
2) 7+,6 0$18$/
 *5281' :,5( 12   $1'  $5( )851,6+(' :,7+ 7+( 6<67(0
 180%(56 ,16,'( 2) $ %2; HJ 5(35(6(17 *5283 180%(56 180%(56 :,7+,1 $ &,5&/( 5(35(6(17
&$%/( 180%(56





6<67(0 *5281',1* ',$*5$0
,//8675$7,21

Related product manuals