EasyManua.ls Logo

GE EV - Wiring Diagram; Catalog Numbers; Preferred Architectures; Example 1: Single-Family Residence

GE EV
8 pages
Print Icon
To Next Page IconTo Next Page
To Next Page IconTo Next Page
To Previous Page IconTo Previous Page
To Previous Page IconTo Previous Page
Loading...
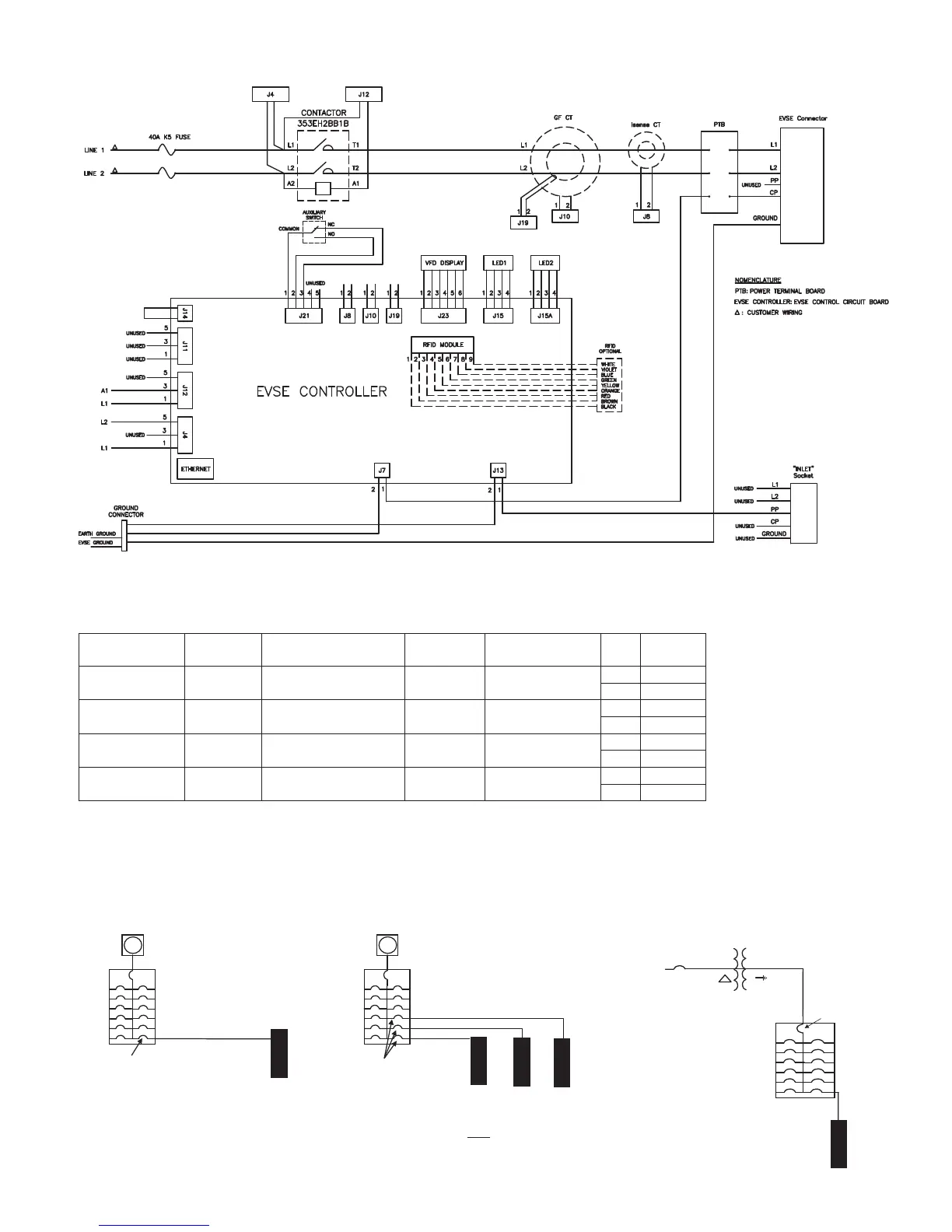
Wiring Diagram
Catalog Numbers
Preferred Architectures
Example 1 Example 2 Example 3
Adding 1 GE EV Charging Station to a Adding 3 EV Charging Stations to a Adding 12 EV Charging Stations to a
single-family residence retail outlet hotel, parking garage, etc.
Type Enclosure Output
No. of
Connectors
Single Phase
Integrated Meter
RFID Cat #
Single Pedestal NEMA 3R 208-240V 30A 1 phase 1 Yes
No EVSN3
Yes EVSRN3
Double Pedestal NEMA 3R 208-240V 30A 1 phase 2 Yes
No EVDN3
Yes EVDRN3
Pole NEMA 3R 208-240V 30A 1 phase 1 Yes
No EVPN3
Yes EVPRN3
Wall NEMA 3R 208-240V 30A 1 phase 1 Yes
No EVWN3
Yes EVWRN3
EV Charger
Utility Meter
2 pole 40A 120/240 Breaker
#8 AWG Cu THWN Conduit
EV Charger
Utility Meter
2 pole 40A 120/208 Breaker
#8 AWG Cu THWN Conduit
EV Charger
12 – 2 pole 40A
120/208 Breakers
#8 AWG Cu THWN Conduit
400AT/400AF
2 – 250 AL kcmil THWN
175AT/250AF
112.5 kVA
From
Power Panel Board
Switchboard
MCC Switchgear
480 120/208Y
Y
Note
Verify capacity of panel board and service are not exceeded.
Select conductor size according to the NEC.

Related product manuals