EasyManua.ls Logo

GE GEH50DEED - Page 59

GE GEH50DEED
78 pages
Print Icon
To Next Page IconTo Next Page
To Next Page IconTo Next Page
To Previous Page IconTo Previous Page
To Previous Page IconTo Previous Page
Loading...
– 59 –
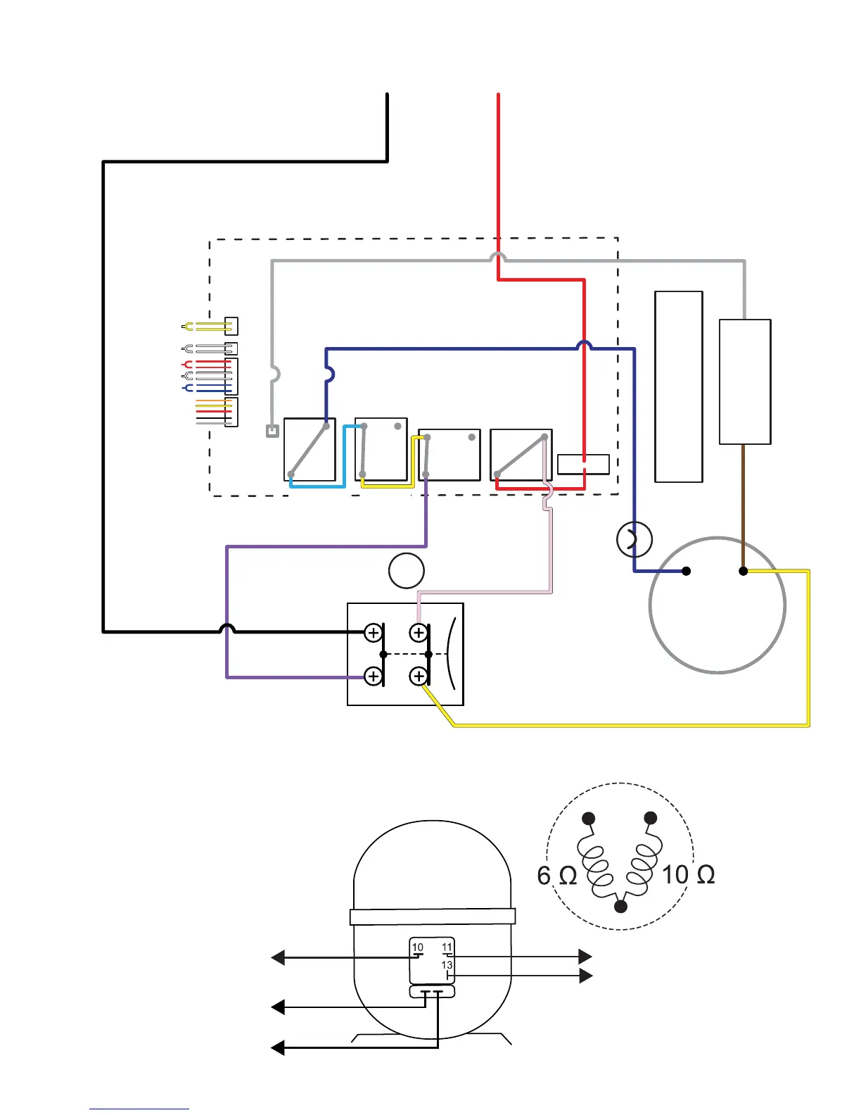
COMP
LE
UE
DLB
Comp_No
COMPRESSOR
TCO
170°F
T3a
T3b
T4
T2
NO
NO
NO
NO
COMCOM COMCOM
NC
NC
L1
L2
LIGHT BLUE
YELLOW
PINK
VIOLET
T5
(ambient)
EXTERNAL
COMPRESSOR
OVERLOAD
BLACK
RED
BROWN
YELLOW
BLUE
GRAY
CT101
FAN
EVAPORATOR
K202
K204
K203 K201
1
2
3
4
T5
T2
T3A T3B
T4
EEV
YELLOW
WHITE
BLACK
RED
WHITE
BLUE
ORANGE
YELLOW
RED
GRAY
BLUE
Heat Pump Circuit
MAIN BOARD
FAN
START
CAPACITOR
BLACK
YELLOW
BLACK
BLUE
TCO
BROWN

Related product manuals