EasyManua.ls Logo

GE IAC53A - Page 9

GE IAC53A
16 pages
Print Icon
To Next Page IconTo Next Page
To Next Page IconTo Next Page
To Previous Page IconTo Previous Page
To Previous Page IconTo Previous Page
Loading...
A-C
8~
S
TRIP
BLS
(-)
--.------
2
3
5
5
51-3
.a=.!
6
6
5
.llii.
H
6
-------
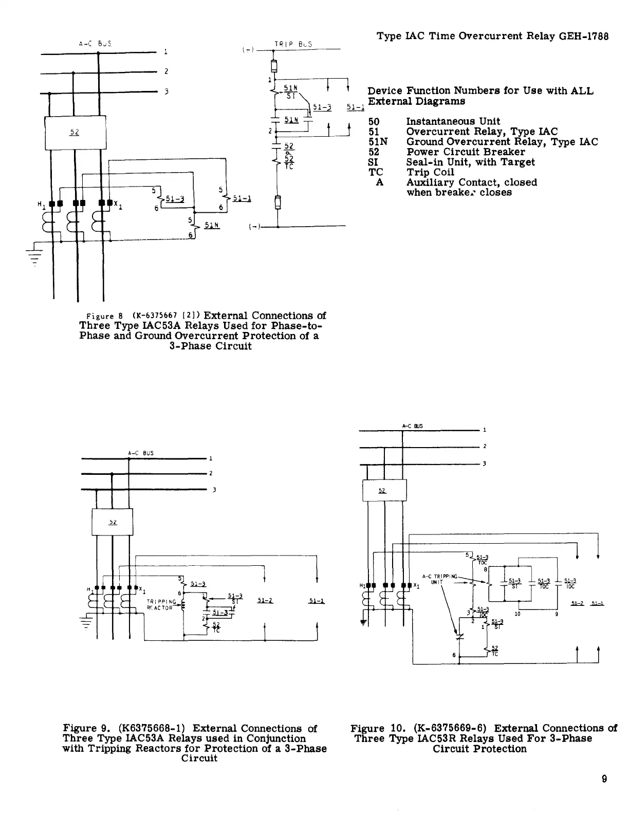
Figure
B
(K-6375667
[2])
External
Connections
of
Three
Type
IAC53A
Relays
Used
for
Phase-to-
Phase
and
Ground
Overcurrent
Protection
of
a
3-Phase
Circuit
A-C
BUS
Figure
9. (K6375668-1)
External
Connections
of
Three
Type
IAC53A
Relays
used
in
Conjunction
with
Tripping
Reactors
for
Protection
of
a
3-Phase
Circuit
Type
IAC
Time
Overcurrent
Relay
GEH-1788
Device
Function
Numbers
for
Use
with
ALL
51-1
External
Diagrams
50
51
51N
52
SI
TC
A
Instantaneous
Unit
Overcurrent
Relay,
Type
IAC
Ground
Overcurrent
Relay,
Type
IAC
Power
Circuit
Breaker
Seal-in
Unit,
with
Target
Trip
Coil
Auxiliary
Contact,
closed
when
breake
..
closes
A-C
IIJS
~
IOC
Figure
10.
(K-6375669-6)
External
Connections
of
Three
Type
IAC53R
Relays
Used
For
3-Phase
Circuit
Protection
9

Other manuals for GE IAC53A

Related product manuals