EasyManua.ls Logo

GE PT9800SH2SS - Page 73

GE PT9800SH2SS
76 pages
Print Icon
To Next Page IconTo Next Page
To Next Page IconTo Next Page
To Previous Page IconTo Previous Page
To Previous Page IconTo Previous Page
Loading...
– 73 –
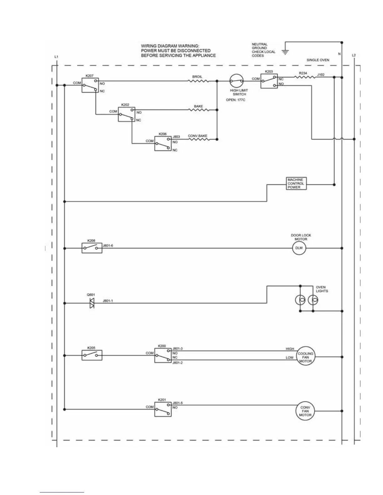
Machine Control Schematic

Other manuals for GE PT9800SH2SS

Related product manuals