EasyManua.ls Logo

GEA FX5 - Page 26

GEA FX5
44 pages
Print Icon
To Next Page IconTo Next Page
To Next Page IconTo Next Page
To Previous Page IconTo Previous Page
To Previous Page IconTo Previous Page
Loading...
26
D
GB
F
E
09702-09.2013-DGbF
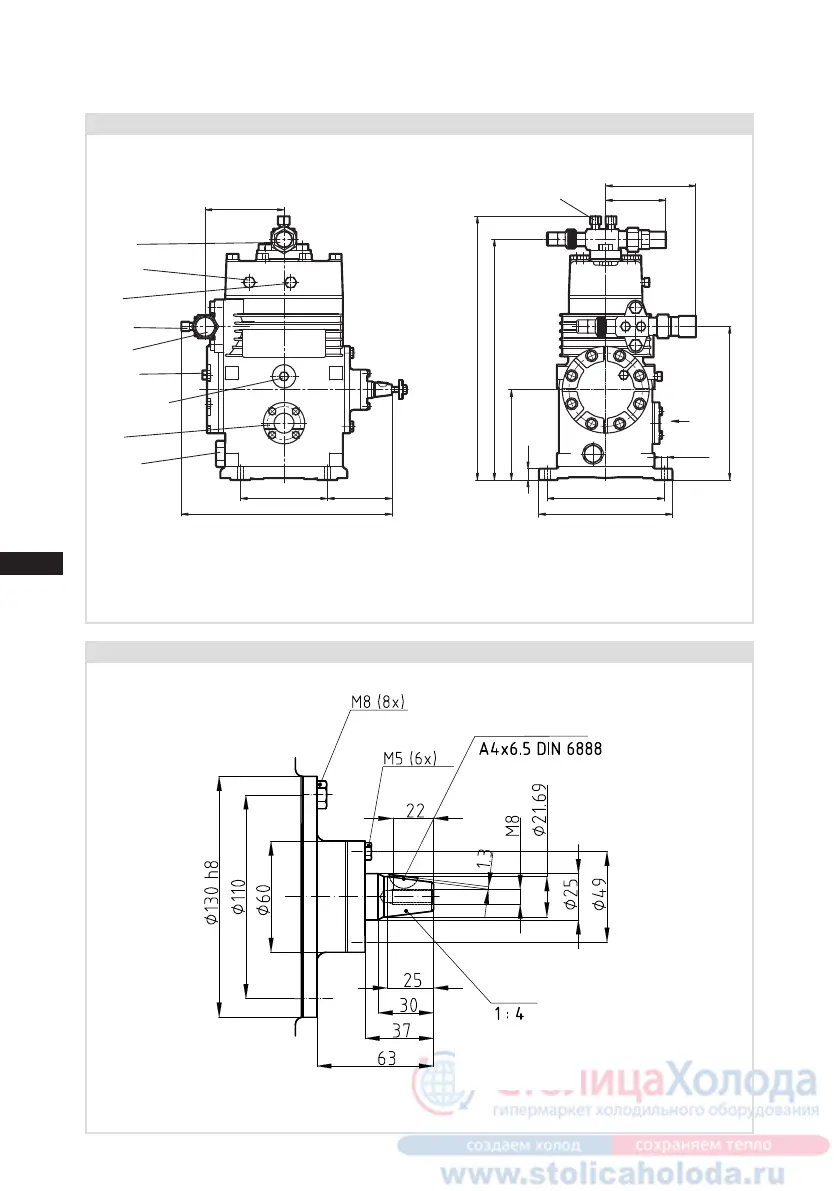
10| Dimensions and connections F
Compressor type F3
Shaft end F3
Fig. 25
Dimensions in mm
Fig. 26
Dimensions in mm
Dimensions for view X see page 32
Woodruff key
Cone
118
130
96.5
ca.315
90
135
175
200
4xØ9
230
17
135
360
ca.400
DV
B/L
A
A1
SV
C/E
D/D1/H
K
F/G
B1
X

Related product manuals