EasyManua.ls Logo

GEA FX5 - 11 Dimensions and Connections F-NH

GEA FX5
44 pages
Print Icon
To Next Page IconTo Next Page
To Next Page IconTo Next Page
To Previous Page IconTo Previous Page
To Previous Page IconTo Previous Page
Loading...
D
GB
F
E
33
09702-09.2013-DGbF
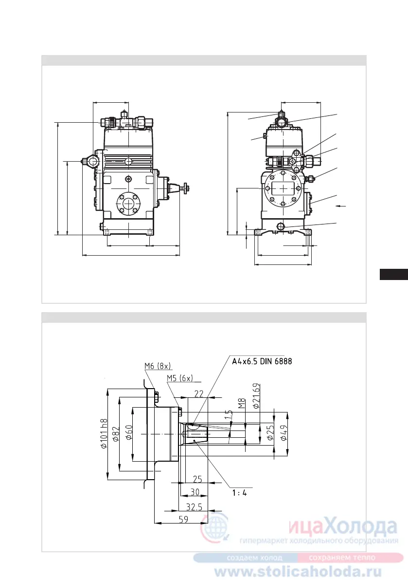
11| Dimensions and connections F-NH
3
Compressor type F2 NH
3
Shaft end F2 NH
3
Fig. 36
Dimensions in mm
Fig. 37
Dimensions in mm
Dimensions for view X see page 40
Woodruff key
Cone
4xØ9
134
152
15
123
ca.330
10595
114 77
ca.265
300
195
B1
B/L
DV
SV
A1
H/D1
K
F/G
X
4xØ9
134
152
15
123
ca.330
10595
114 77
ca.265
300
195
B1
B/L
DV
SV
A1
H/D1
K
F/G
X

Related product manuals