EasyManua.ls Logo

GEA FX5 - Page 34

GEA FX5
44 pages
Print Icon
To Next Page IconTo Next Page
To Next Page IconTo Next Page
To Previous Page IconTo Previous Page
To Previous Page IconTo Previous Page
Loading...
34
D
GB
F
E
09702-09.2013-DGbF
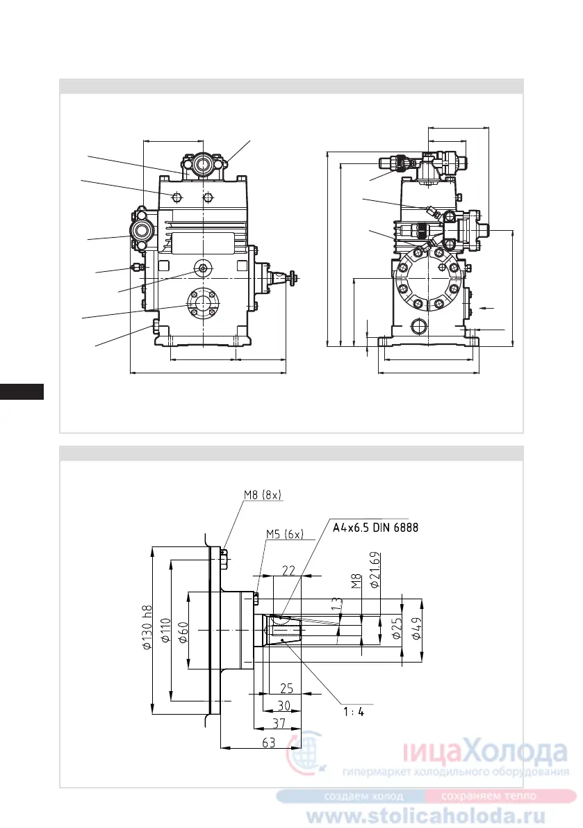
11| Dimensions and connections F-NH
3
Compressor type F3 NH
3
Shaft end F3 NH
3
Fig. 38
Dimensions in mm
Fig. 39
Dimensions in mm
Dimensions for view X see page 40
Woodruff key
Cone
130
96.5
ca.345
175
200
4xØ9
118
120
75
230
17
135
ca.365
ca.390
B
L
SV
C/E
D/D1/H
K
F/G
DV
B1
A
A1
X

Related product manuals