EasyManua.ls Logo

Generac Power Systems GP3250 - Page 64

Generac Power Systems GP3250
84 pages
Print Icon
To Next Page IconTo Next Page
To Next Page IconTo Next Page
To Previous Page IconTo Previous Page
To Previous Page IconTo Previous Page
Loading...
Page 62
PART 4
DISASSEMBLY
SECTION 4.1
MAJOR DISASSEMBLY
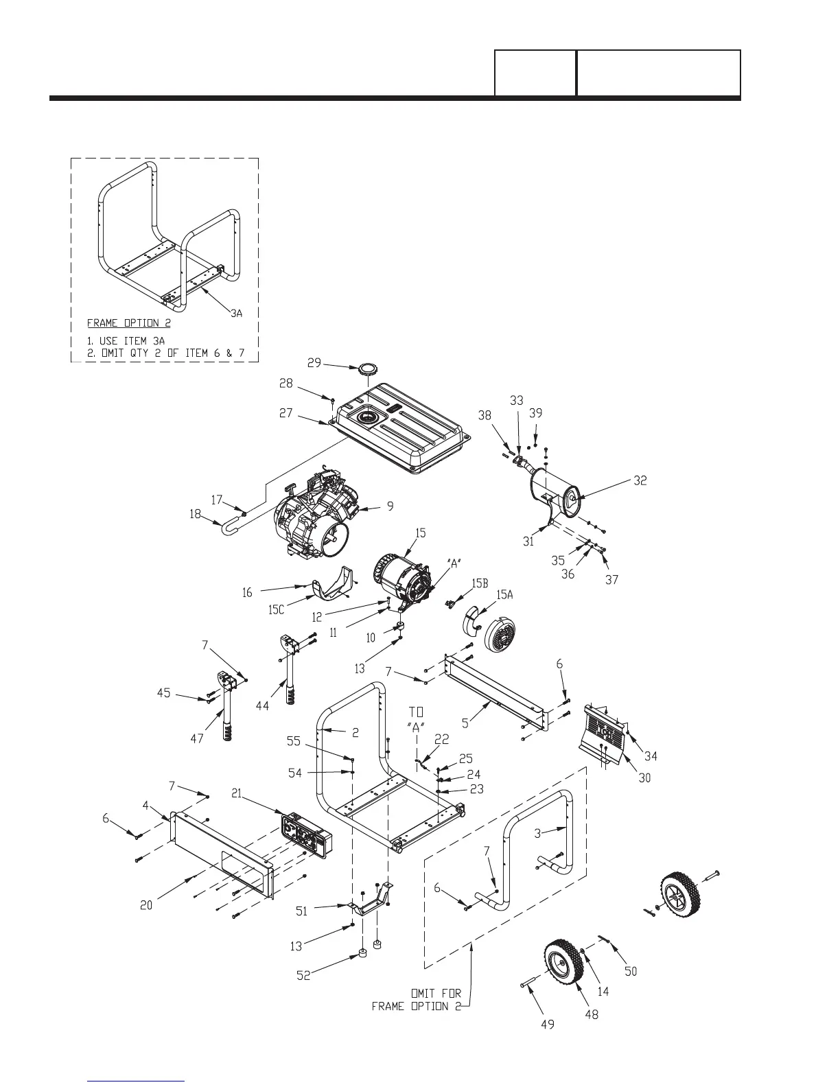
Exploded View – GP5500 – Drawing No. 0H1253-A

Table of Contents

Other manuals for Generac Power Systems GP3250

Related product manuals