EasyManua.ls Logo

Generac Power Systems GP3250 - Wiring Diagram, GP7000 E;GP8000 E

Generac Power Systems GP3250
84 pages
Print Icon
To Next Page IconTo Next Page
To Next Page IconTo Next Page
To Previous Page IconTo Previous Page
To Previous Page IconTo Previous Page
Loading...
ELECTRICAL DATA
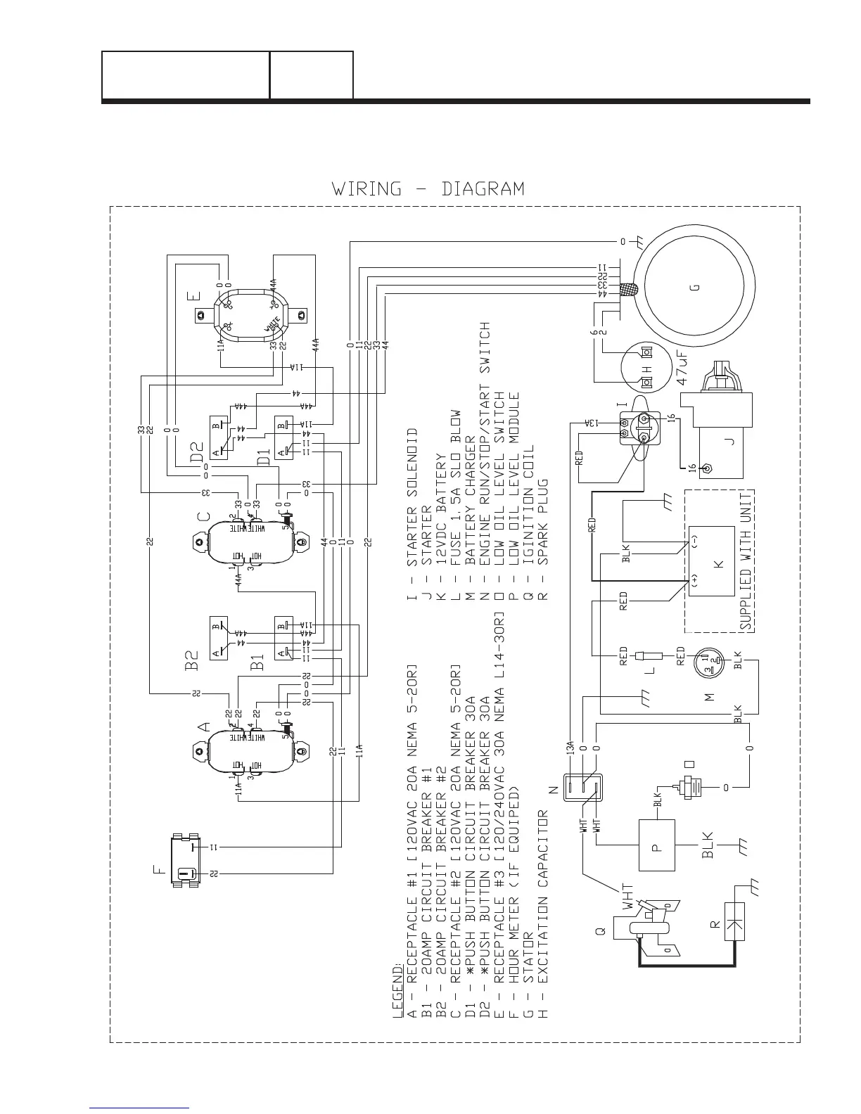
WIRING DIAGRAM, GP7000E/8000E
PART 5


Brushless Alternator Drawing No. 0G9849-A
Page 77

Table of Contents

Other manuals for Generac Power Systems GP3250

Related product manuals