EasyManua.ls Logo

Generac Power Systems MAGNUM MLT6SMDS

Generac Power Systems MAGNUM MLT6SMDS
68 pages
To Next Page IconTo Next Page
To Next Page IconTo Next Page
To Previous Page IconTo Previous Page
To Previous Page IconTo Previous Page
Loading...
Wiring Diagrams
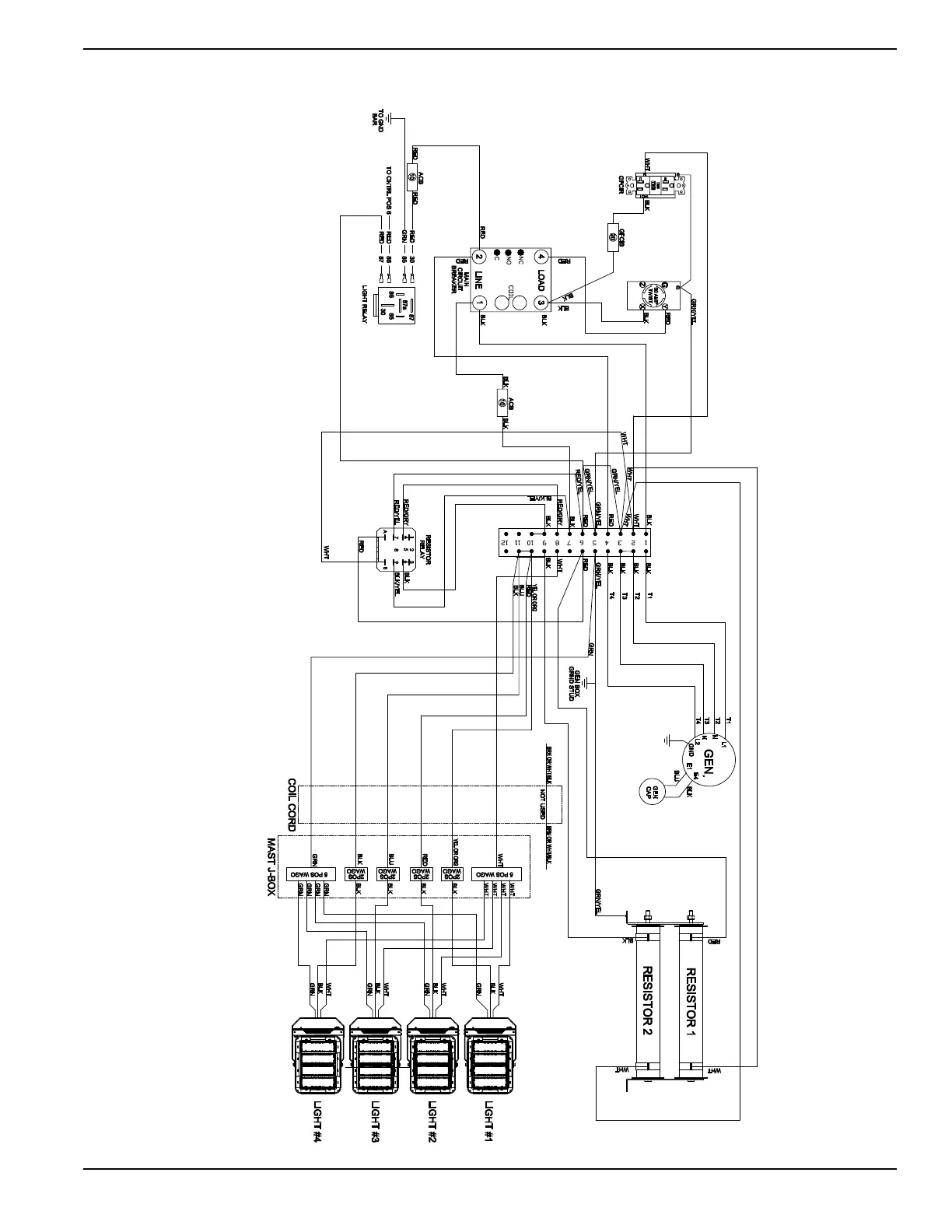
Owner’s Manual for MLT6SMDS - MLT6SKDS Light Tower 47
AC Wiring Diagram MLT6SMDS - Non Power Zone/Key Equipped

Table of Contents

Related product manuals