EasyManua.ls Logo

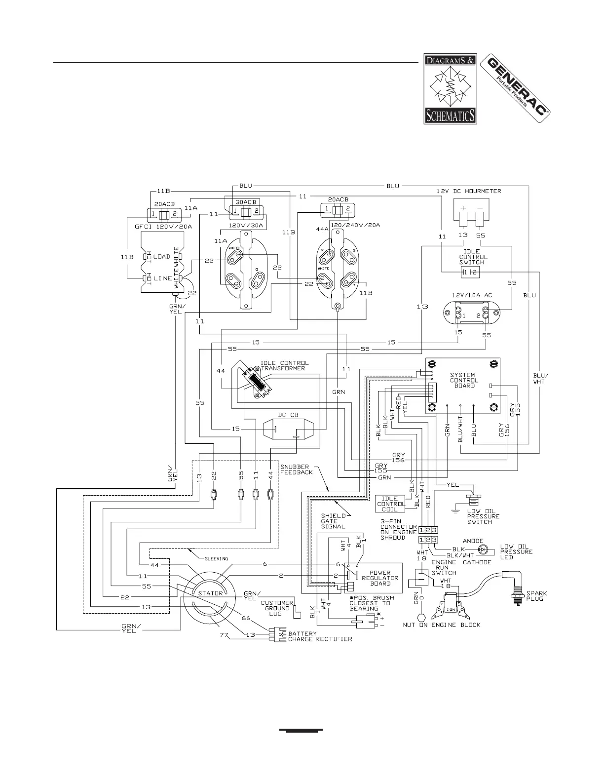
Generac Power Systems MC4000 - Wiring Diagram

Generac Power Systems MC4000
20 pages
Print Icon
To Next Page IconTo Next Page
To Next Page IconTo Next Page
To Previous Page IconTo Previous Page
To Previous Page IconTo Previous Page
Loading...
Generac Portable Products MC4000 Generator
15
WIRING DIAGRAM

Related product manuals