EasyManua.ls Logo

Generac Power Systems QT 100 - Page 67

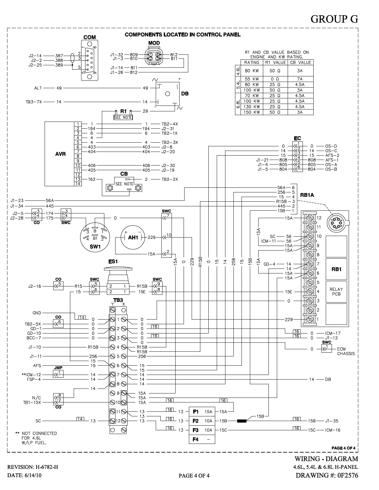
Generac Power Systems QT 100
80 pages
Print Icon
To Next Page IconTo Next Page
To Next Page IconTo Next Page
To Previous Page IconTo Previous Page
To Previous Page IconTo Previous Page
Loading...

Table of Contents

Related product manuals