EasyManua.ls Logo

Generac Power Systems QT 5.4L - Page 58

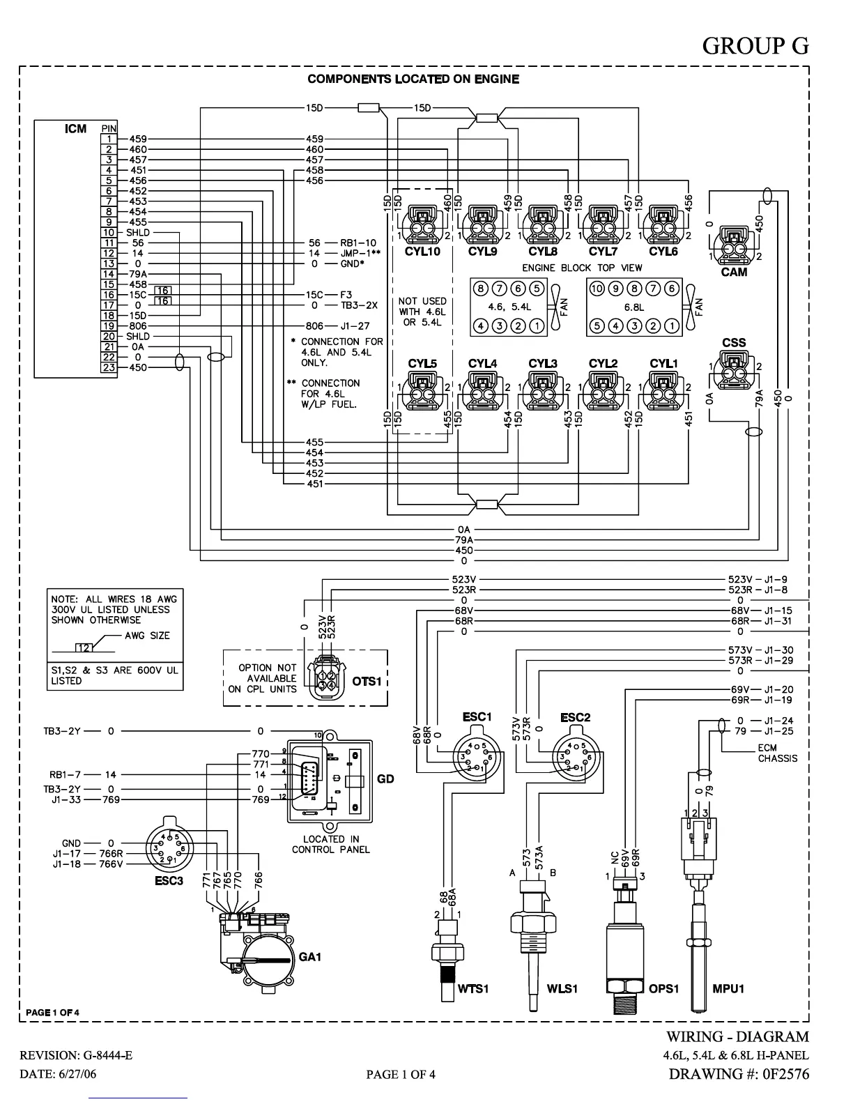
Generac Power Systems QT 5.4L
76 pages
Print Icon
To Next Page IconTo Next Page
To Next Page IconTo Next Page
To Previous Page IconTo Previous Page
To Previous Page IconTo Previous Page
Loading...

Table of Contents

Related product manuals