EasyManua.ls Logo

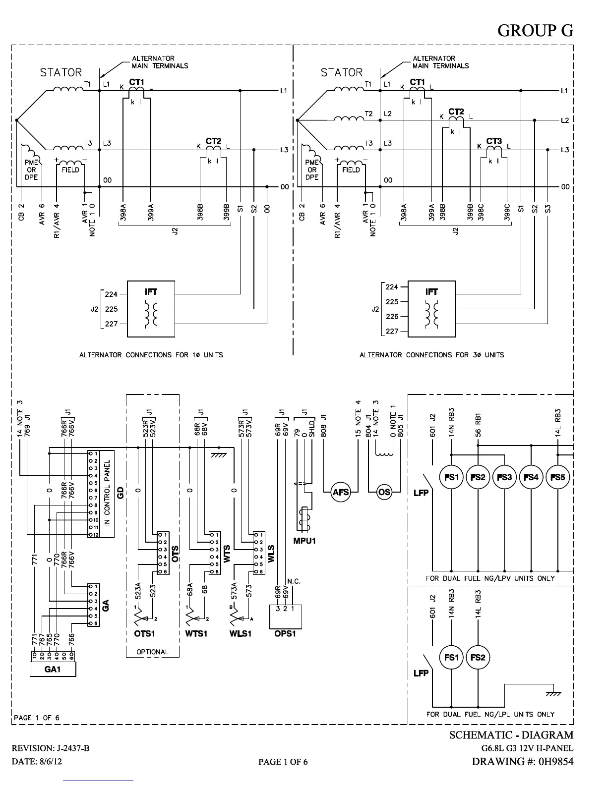
Generac Power Systems SG050 - SCHEMATIC - DIAGRAM G6.8 L G3 12 V H-PANEL

Generac Power Systems SG050
88 pages
Print Icon
To Next Page IconTo Next Page
To Next Page IconTo Next Page
To Previous Page IconTo Previous Page
To Previous Page IconTo Previous Page
Loading...

Related product manuals