EasyManua.ls Logo

General ABG14FBBJ - Page 10

General ABG14FBBJ
37 pages
Print Icon
To Next Page IconTo Next Page
To Next Page IconTo Next Page
To Previous Page IconTo Previous Page
To Previous Page IconTo Previous Page
Loading...
9
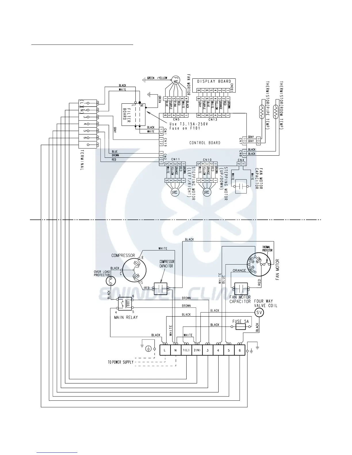
OUTDOOR UNIT
INDOOR UNIT
Models : ABG14UBBJ / AOG14USDJL
2003.01.06 PRELIMINARY
www.enindel.com

Related product manuals