EasyManua.ls Logo

General ABG14FBBJ - Circuit Diagram

General ABG14FBBJ
37 pages
Print Icon
To Next Page IconTo Next Page
To Next Page IconTo Next Page
To Previous Page IconTo Previous Page
To Previous Page IconTo Previous Page
Loading...
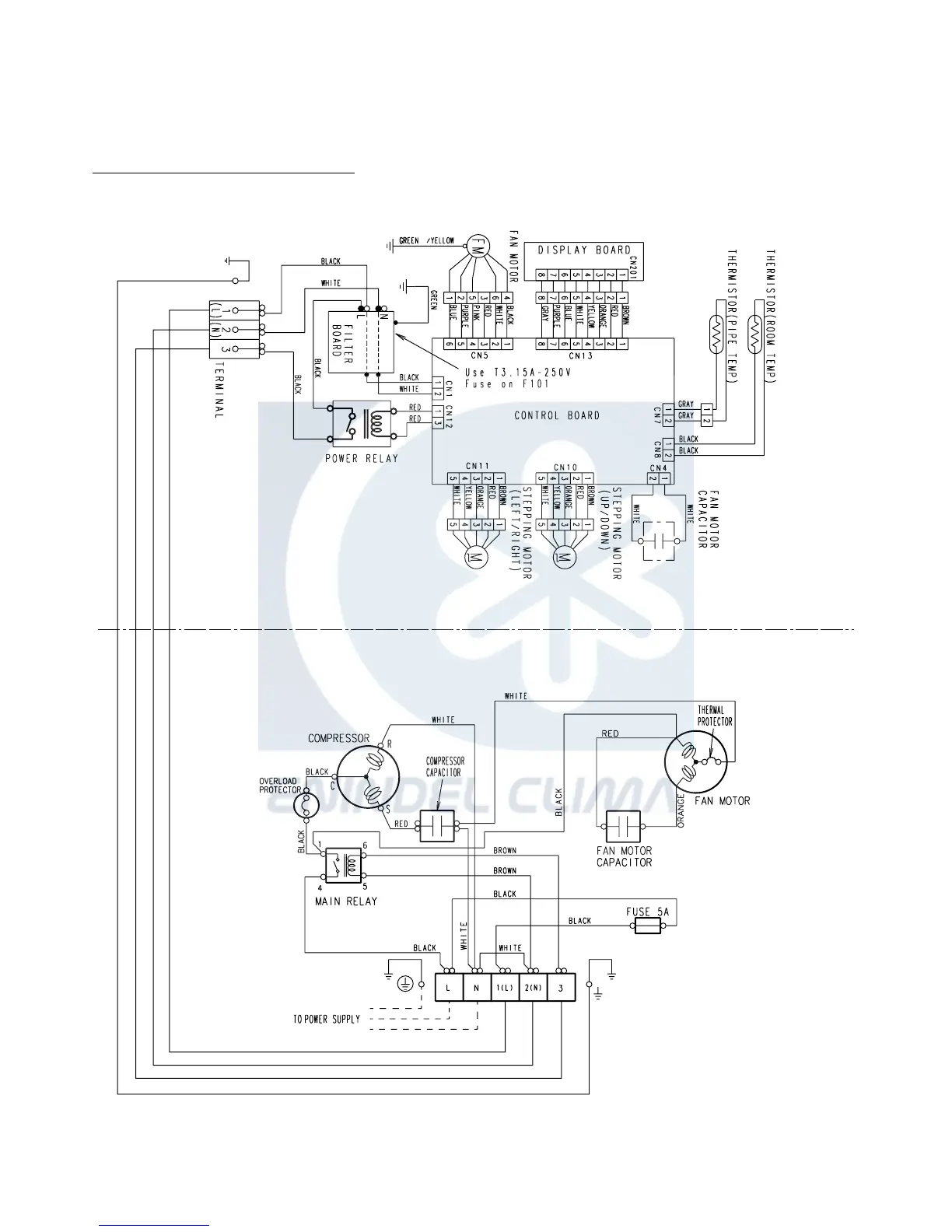
CIRCUIT DIAGRAM
Models
INDOOR UNIT
OUTDOOR UNIT
:
ABG14FBBJ / AOG14FSDJ
2003.01.06 PRELIMINARY 8
www.enindel.com

Related product manuals