EasyManua.ls Logo

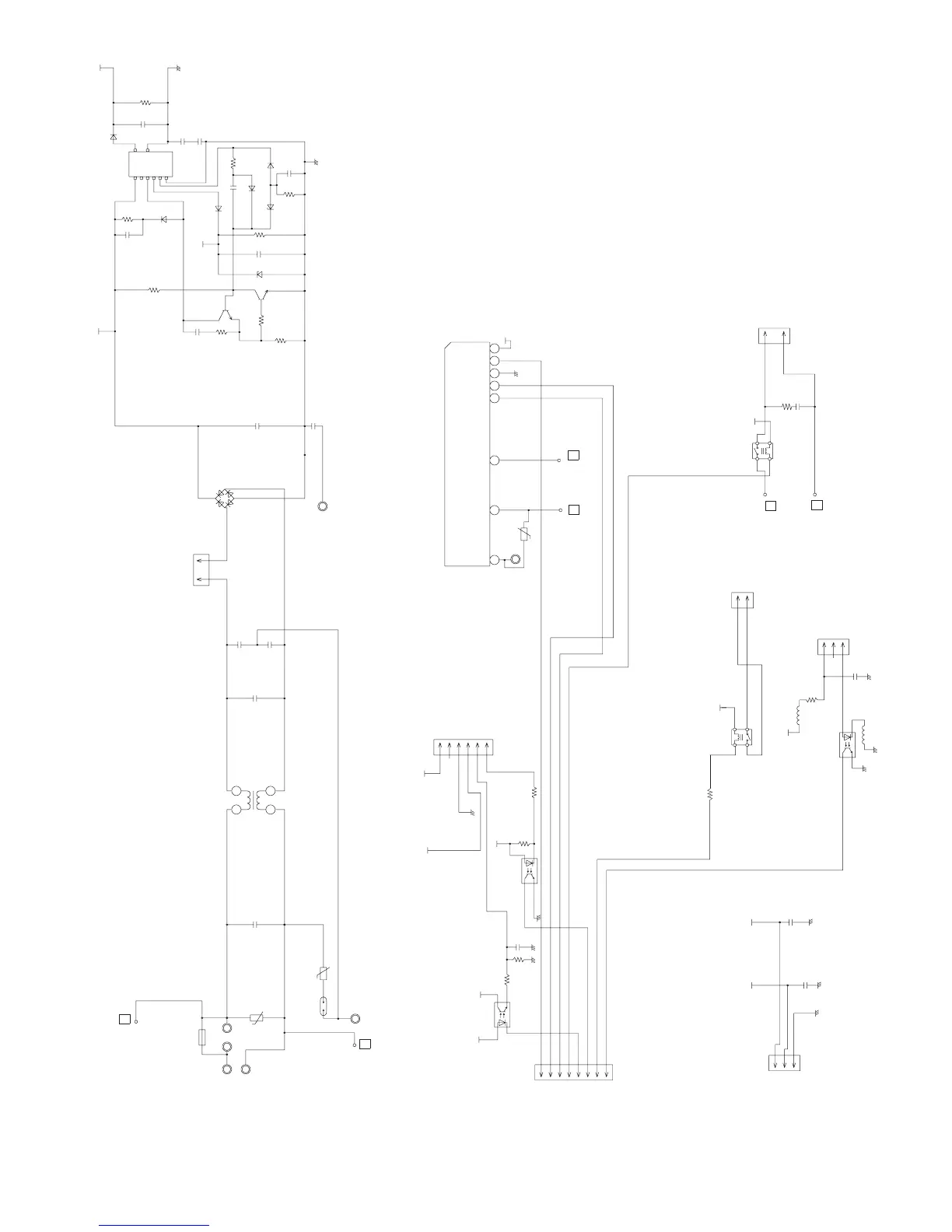
General AOHA24LALL - ARHA24 LATU POWER SUPPLY PCB

General AOHA24LALL
26 pages
Print Icon
To Next Page IconTo Next Page
To Next Page IconTo Next Page
To Previous Page IconTo Previous Page
To Previous Page IconTo Previous Page
Loading...
13.5V
F101
BET 3.15A - 250V
FH101
FH102
VA101
470V
<TNR>
W101
BLACK
W102
WHITE
VA102
470V
<TNR>
SA101
RA-362M
E101
GREEN
I C26-10
N
L
I C26-14
5V
15V
I C104
TLP621
<GB>
R116
1.0K
<1/4W>
1
2
4
3
CN104
B08B-PASK-1
POWER DRIVE
SERIAL I N
SERIAL I NT
SERIAL ON
DRAIN PUMP
DC FAN-OUT
DC FAN-FEEDBACK
EX. SIGNAL-OUT
EX. SIGNAL-I N
1
2
3
4
5
6
7
8
4
3 2
1
I C103
TLP621
<GB>
C117
100/
25V
+
AA
R117
820
<1/4W>
R114
4.7K
<1/10W>
R115
6.8K
<1/4W>
15V
6
5
4
3
2
1
340V
A
15V
CN105
B5P6-VH-B
DC FAN MOTOR
VA103
470V
<TNR>
W105
RED
SERIAL
I C 1 0 5
H I 2 0 0 2 R
L
N
5V
5 4 3 2
1
101418
15V
340V
C108
4700P
<ECQM>
R104
330K
<2W>
D102
1SR139-600
R103
62K
<RS-2W>
D108
D2FL20U
T101
ZFT22B03-C
R111
10K
<1/10W>
+
C113
1000/
25V
C114
0.01
<KH>
C115
0.01
<KH>
8
7
6
5
3
2
10
12
L
N
K102
G5NB-1A
13.5V
RC101
120/
0.2
CN106
B2P3-VH-B-E
DRAIN PUMP
2
1
IC26-10
IC26-14
1
3
4
2
2
1
3
2
1
C116
0.01
<B>
5V
R112
330
<1/10W>
L102
BLm18
<AG601>
I C101
TLP621
<GB>
L103
BLm18
<AG601>
4
3
1
2
4
2
3
1
K101
G5NB-1A
13.5V
CN103
B2B-XH-AM
E I B OUT
E I B I N
CN102
B3B-XH-AM
IC26-14
IC26-10
8
7
6
5 4
3 2 1
13.5V
C120
0.1
<F>
C121
0.1
<F>
5V
DC SUPPLY
CN101
B03B-PASK-1
1
2
3
C101
0.22
<LE>
LF101
ELF20N018A
4
3
1
2
CN108
B2P3-VH-B
NORMAL COIL
1
2
1
3
4
2
D101
D3SB60
C118
0.01
<KH>
E102
GREEN
C107
270/
450V
+
C109
220P/
2.0kV
<ECKW>
R105
75
<RS-2W>
R106
1.5
<RS-2W>
Q102
2SC1815
Q101
2SC5354
R107
100
<1/10W>
3
3
2
2
1
1
A
D107
RD16M
<B1>
C112
330/
25V
+
R110
10K
<1/10W>
D106
D1FL20U
C110 0.047 <ECQB>
D103
D1FL20U
D104
MTZJ5.1B
R109
330
<1/4W>
C111
100/
25V
+
D105
D1FL20U
R108
100
<1/2W>
C104
0.22
<LE>
C105
0.010
<YE>
C106
0.010
<YE>
PFC5000-0702F
x 2
R113
330
<1/10W>
2007.08.30 10
INDOOR UNIT
POWER SUPPLY PCB ASSEMBLY
ARHA24LATU : K06AL-0603HSE-P0

Related product manuals