EasyManua.ls Logo

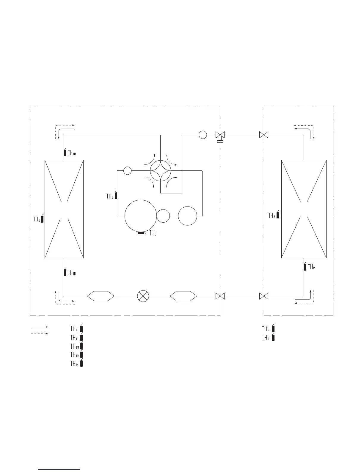
General AOHA24LALL - REFRIGERANT SYSTEM DIAGRAM

General AOHA24LALL
26 pages
Print Icon
To Next Page IconTo Next Page
To Next Page IconTo Next Page
To Previous Page IconTo Previous Page
To Previous Page IconTo Previous Page
Loading...
R E F R I G E R A N T S Y S T E M D I A G R A M
OUTDOOR UNIT
INDOOR UNIT
2006.10.23 4
StrainerStrainer
4-Way
valve
2-Way
valve
3-Way
valve
Muffler
Muffler
Expansion
valve
Compressor
Accumulator
Heat exchanger
Heat exchanger
Cool
Heat
: THERMISTOR (COMPRESSOR TEP.)
: THERMISTOR (PIPE TEP.)
: THERMISTOR (ROOM TEP.)
: THERMISTOR (DISCHARGE TEP.)
: THERMISTOR (HEAT EXCHANGER MED TEP.)
: THERMISTOR (HEAT EXCHANGER OUT TEP.)
: THERMISTOR (OUTDOOR TEP.)
Refrigerant pipe diameter
Liquid : 1/4" (6.35 mm)
Gas : 5/8" (15.88 mm)

Related product manuals