EasyManua.ls Logo

General AOHR24LCC - CIRCUIT DIAGRAM

General AOHR24LCC
24 pages
Print Icon
To Next Page IconTo Next Page
To Next Page IconTo Next Page
To Previous Page IconTo Previous Page
To Previous Page IconTo Previous Page
Loading...
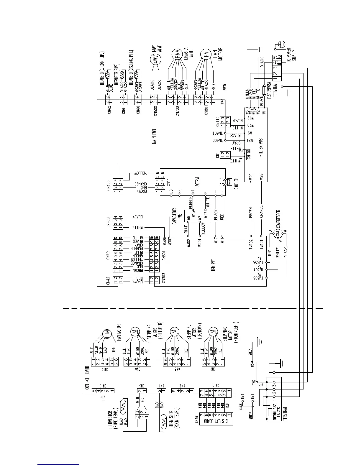
CIRCUIT DIAGRAM
42006.02.28
INDOOR UNIT OUTDOOR UNIT

Related product manuals