EasyManua.ls Logo

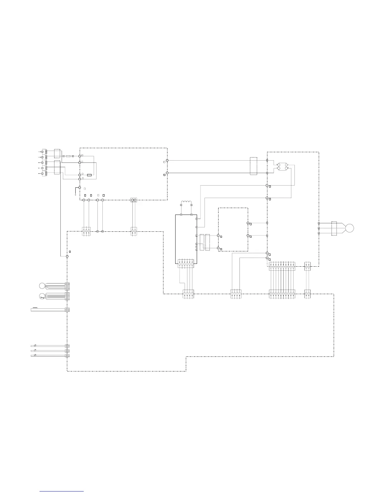
General AOHR24LCC - OUTDOOR PCB CIRCUIT DIAGRAM

General AOHR24LCC
24 pages
Print Icon
To Next Page IconTo Next Page
To Next Page IconTo Next Page
To Previous Page IconTo Previous Page
To Previous Page IconTo Previous Page
Loading...
UL1007 AWG24 RED
TM101
TM102
W16
D100
D25XB60
+
B
W17
B
B
B
B
B
B
B
BB
B
B
B
B
B
B
W3
W18
B
W17
W19 W20
W9
W21EARTH
CN100
W28
W29
TM301
TM302
B
B
W12
W13
W307
W306
+
L1
L2
P
N1
N2
I O
CHOKE COIL
L = 0.3MH 30A
TM600
TM601
B
W4
COMPRESSOR
EMI FILTER
EMI FILTER
W1
W2
F200
TLC 25A - 250V, B
EMI FILTER
EMI FILTER
N
L
3
2
1
UL1015
AWG14
WHITE
UL1015
AWG14
BLACK
UL1015
AWG20
RED
UL1015
AWG20
BLACK
UL1015
AWG20
WHITE
UL1015
AWG16
GREEN
UL1015
AWG14
BLACK
POWER SOURCE
AC220 - 240V
50 / 60Hz
INDOOR UNIT
DC FAN MOTOR
EXPANSION VALVE
4-WAY VALVE
DISCHARGE TEMP. THERMISTOR
PIPE TEMP. THERMISTOR
OUTDOOR TEMP. THERMISTOR
BROWN
BROWN
BLACK
BLACK
BLUE
BLUE
1
2
1
2
1
2
CN60
B2B-XH-AM YEL
YELLOW
CN61
B2B-XH-AM RED
RED
CN62
B2B-XAEK-1-A
BLUE
CN500
B2P3-VH-B-C
WHITE
CN700
B6B-XARK-1-A
RED
CN801
B5P6-VH-B-L
WHITE
DC FAN MOTOR
BLACK
BLACK
WHITE
YELLOW
ORANGE
BLUE
BROWN
RED
RED
BLACK
WHITE
YELLOW
BROWN
1
3
1
2
3
4
5
6
1
2
3
4
5
6
3 1
SERIAL
RED
CN110
B2P3-VH-B-Y
YELLOW
AC VOLT I N
CT I N / OUT
CN1
B2B-XH-AM BLK
BLACK
POWER RELAY CONTROL
2
1
4 3 2
1
CN400
B4B-XASK-1-A
WHITE
ACTPM CONTROL
DC VOLT I N
CN200
B2P4-VH-B-M
WHITE
4
1 1
2 3
4
5 6
7
8
9
10
CN40
B10B-XASK-1
WHITE
I PM CONTROL
PEAK LOAD CURRENT
C42
B2B-XH
WHITE
2
1
1
2 3
4
5 6
7
8
9
10
2 1
CN301
B10B-XASK-1
WHITE
I PM CONTROL
CN303
B2B-XH-AM
WHITE
PEAK LOAD CURRENT
UL1007 AWG24 BROWN
UL1007 AWG24 RED
UL1007 AWG24 BROWN
UL1007 AWG24 RED
UL1007 AWG24 ORANGE
UL1007 AWG24 YELLOW
UL1007 AWG24 GREEN
UL1007 AWG24 BLUE
UL1007 AWG24 PURPLE
UL1007 AWG24 GRAY
UL1007 AWG24 BLACK
UL1007 AWG24 WHITE
UL1015 AWG20 BLACK
UL1015 AWG20 WHITE
UL1015 AWG14 BLACK
UL1015 AWG14 GRAY
UL1007 AWG24 WHITE
UL1007 AWG24 WHITE
2
1
UL1007 AWG24 YELLOW
UL1007 AWG24 ORANGE
UL1007 AWG24 RED
UL1007 AWG24 BROWN
4 3 2
1
56
UL1015 AWG20 WHITE
UL1015 AWG20 BLACK
03 VH / S I N 1015 L250
TM305
TM304
TM303
UL1015 AWG14 x 3
BLACK
WHITE
RED
UL1015
AWG14
WHITE
UL1015
AWG14
WHITE
UL1015
AWG14
WHITE
UL1015
AWG14
VIOLET
UL1015
AWG14
BLUE
UL1015
AWG14
YELLOW
UL1015 AWG14 RED
UL1015 AWG14 BLACK
-
UL1015 AWG14 ORANGE
UL1015 AWG14 BROWN
CT I N / OUT
F100
FSL 3.15A - 250V (EM)
F. M.
M
C. M.
EMI FILTER x 2
-
CONTROLLER PCB ASSY
K05CU-0500HUE-C1
POWER SUPPLY PCB
K05CW-0500HUE-FL0
ACTPM
I C 404
SACT32010F1
CAPACITOR PCB ASSY
K05DG-0500HUE-P0
TR PCB ASSY ( I P M )
K05CZ-0500HUE-TR0
INVERTER ASSY
EZ-005EHUE
OUTDOOR PCB CIRCUIT DIAGRAM
Model : AOHR24LCC
82006.06.21

Related product manuals