EasyManua.ls Logo

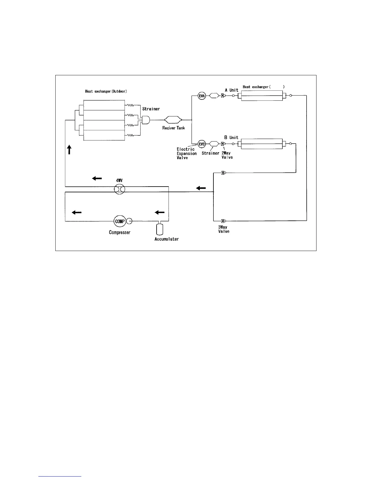
General ASH12LMACW - Refrigerant System Diagram

General ASH12LMACW
24 pages
Print Icon
To Next Page IconTo Next Page
To Next Page IconTo Next Page
To Previous Page IconTo Previous Page
To Previous Page IconTo Previous Page
Loading...
5
2004.06.21
REFRIGERANT SYSTEM DIAGRAM
Indoor

Related product manuals