EasyManua.ls Logo

General ASHB09LDC - Page 8

General ASHB09LDC
18 pages
Print Icon
To Next Page IconTo Next Page
To Next Page IconTo Next Page
To Previous Page IconTo Previous Page
To Previous Page IconTo Previous Page
Loading...
ASHB09LDC
ASHB12LDC
Models :
2006.02.06 7
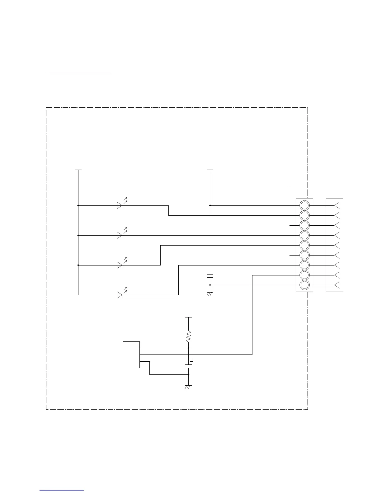
INDICATOR PCB
K03DV-0400WSE-D0
D206 SLR-325
5V 5V
5V
1 2
2
VCC
OUT
GND
2
2
1
2
1
1
1
123456789
3
1 2
1 2
1 2
CN201
C201
R201
IC201
GP1UM261R
C202
47
<1/4W>
47/10V
0.1
<F>
D204 SLR-325
D203 SLR-325
D201 SLR-325

Related product manuals