EasyManua.ls Logo

General AWHZ24LBC - OUTDOOR UNIT INVERTER ASSEMBLY

General AWHZ24LBC
27 pages
Print Icon
To Next Page IconTo Next Page
To Next Page IconTo Next Page
To Previous Page IconTo Previous Page
To Previous Page IconTo Previous Page
Loading...
D100
D25XB60
+
-
2
3
4
1
TM101
TM102
EMI FILTER
COMPRESSOR
C M
2
3
1
2
3
1
UL1015 AWG14
RED
WHITE
BLACK
RED
WHITE
BLACK
B
W303
B
W304
B
W305
B
W301
B
W302
B
W306
B
W307
B
W12
B
W13
B
W7
B
W8
B
W4
SERIAL
RED
CN801 B5 (7-2.3) B-XASK-1-A
WHITE
CN700 B6B-XARK-1-A
RED
CN500 179844-1 (AC type)
WHITE
CN90 B2B-XARK-1-A
RED
CN60 B2B-XH-AM YEL
YELLOW
CN61 B2B-XH-AM RED
RED
CN62 B2B-XAEK-1-A
BLUE
CN64 B2B-XAMK-1-A
GREEN
TM601 TM600
CT IN / OUT
CN110
B2P3-VH-B-Y
YELLOW
AC VOLT IN
CN1
B2B-XH-AM BLK
BLACK
POWER RELAY CONTROL
R200
ZPR0YC400A300
L1
L2
+
-
CHOKE COIL
L = 0.3MH 30A
P
N1
N2
I O
UL1015
AWG14
WHITE
UL1015
AWG14
WHITE
B
W17
B
W16
CN400
B4B-XASK-1-A
WHITE
ACTPM CONTROL
CN200
B2P4-VH-B-M
WHITE
DC VOLT IN
CN40
B10B-XASK-1
WHITE
IPM CONTROL
CN42
B2B-XH
WHITE
PEAK LOAD CURRENT
CN303
B2B-XH-AM
WHITE
PEAK LOAD CURRENT
CN301
B10B-XASK-1
WHITE
IPM CONTROL
UL1015 AWG14 RED
UL1015 AWG14 BLACK
UL1015 AWG14 BROWN
UL1015 AWG14 ORANGE
B
W17
B
W18
B
W1
B
W2
B
W3
EMI FILTER
EARTH
EMI FILTER
EMI FILTER
B
W29
B
W28
CN100
B
W19
B
W20
B
W21
B
W9
CT IN / OUT
B
W25
B
W26
DC FAN MOTOR
EXPANSION VALVE
4-WAY VALVE
PRESSURE SWITCH
DISCHARGE TEMP. THERMISTOR
PIPE TEMP. THERMISTOR
OUTDOOR TEMP. THERMISTOR
COMPRESSOR TEMP. THERMISTOR
BLACK
BLACK
RED
RED
WHITE
YELLOW
ORANGE
BLUE
BROWN
RED
BROWN
YELLOW
WHITE
BLACK
RED
BROWN
BROWN
BLACK
BLACK
BLUE
BLUE
BROWN
BROWN
F M
M
F100
FSL 250 3.15 (EM)
(250V 3.15A)
F200
25A-250V
UL1015
AWG14
BLACK
UL1015
AWG16
GREEN
UL1015
AWG14
BLACK
UL1015
AWG20
BLACK
UL1015
AWG14
WHITE
UL1015
AWG20
WHITE
UL1015
AWG20
RED
INDOOR UNIT
POWER SOURCE
AC230V
50Hz
UL1015
AWG14
YELLOW
UL1015
AWG14
BLUE
1
2
2
1
UL1007 AWG24 BROWN
UL1007 AWG24 RED
UL1007 AWG24 BROWN
UL1007 AWG24 RED
UL1007 AWG24 ORANGE
UL1007 AWG24 YELLOW
UL1007 AWG24 GREEN
UL1007 AWG24 BLUE
UL1007 AWG24 PURPLE
UL1007 AWG24 GRAY
UL1007 AWG24 BLACK
UL1007 AWG24 WHITE
UL1015 AWG20 BLACK
UL1015 AWG20 WHITE
UL1007 AWG24 YELLOW
UL1007 AWG24 ORANGE
UL1007 AWG24 RED
UL1007 AWG24 BROWN
03 VH / SIN
1015 L250
UL1007 AWG24 WHITE
UL1007 AWG24 WHITE
UL1015 AWG20 ORANGE
UL1015 AWG20 ORANGE
UL1015 AWG20 BLACK
UL1015 AWG20 WHITE
UL1015 AWG14 BLACK
UL1015 AWG14 GRAY
N
L
3
2
1
UL1015
AWG14
WHITE
UL1015
AWG14
VIOLET
ACTPM
I C 404
SACT32010F1
CAPACITOR PCB ASSY
K05FB-0500HUE-P0
I P M
TRANSISTIR PCB ASSY
K05CZ-0503HUE-TR0
POWER SUPPLY PCB
K05CW-0603HUE-FL0
CONTROLLER PCB ASSY ( MAIN PCB )
K05CU-0602HUE-C1
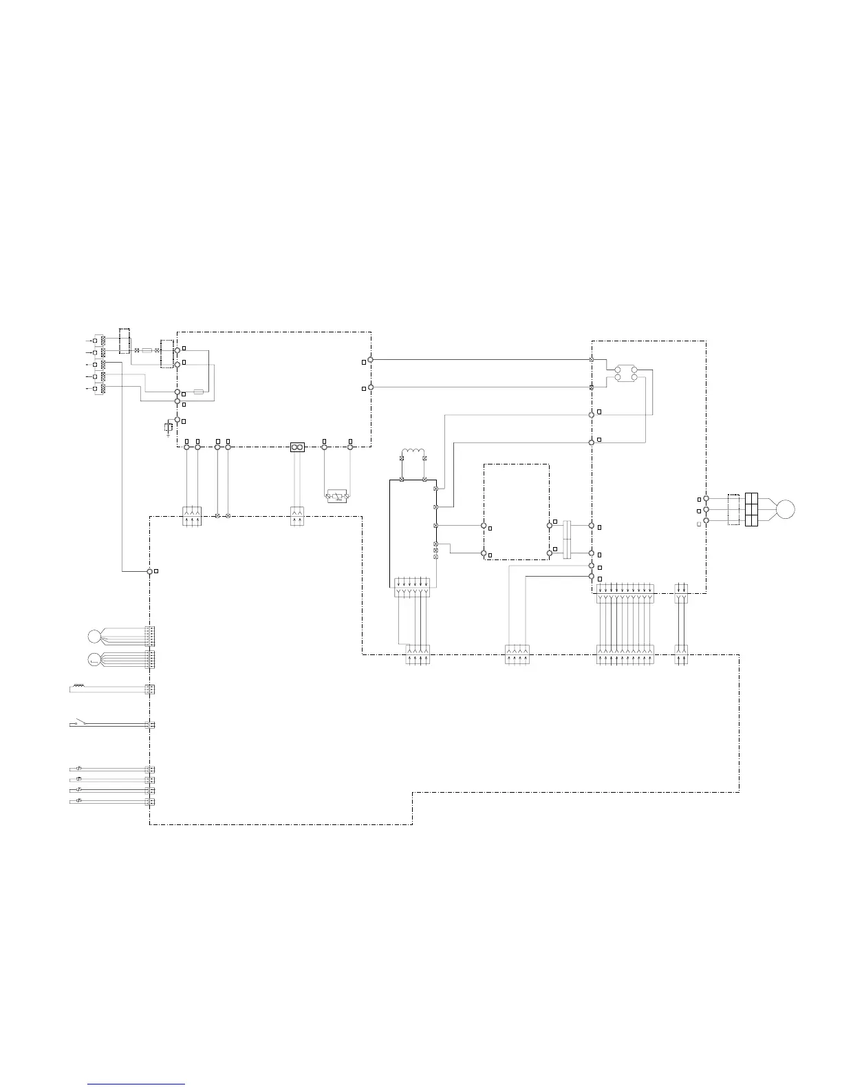
OUTDOOR UNIT
INVERTER ASSY : EZ-006RHUE
2006.10.18 10

Related product manuals