EasyManua.ls Logo

Gerhardt Vapodest 20 - Page 27

Default Icon
31 pages
Print Icon
To Next Page IconTo Next Page
To Next Page IconTo Next Page
To Previous Page IconTo Previous Page
To Previous Page IconTo Previous Page
Loading...
C. Gerhardt GmbH & Co. KG
27
H 2 O
d i s t i l l e d
N a O H
8
6
L e v e l - d e t e c t o r
1
0
M a i n s
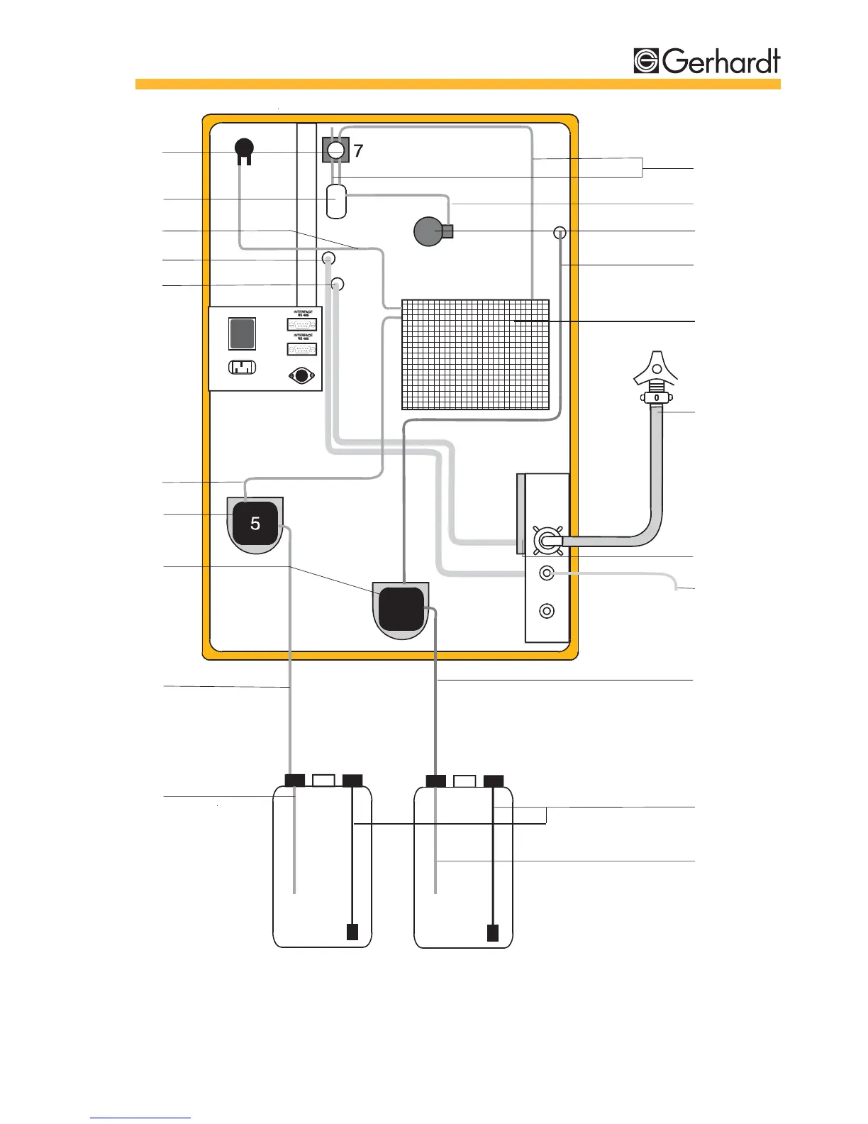
Fig.8.1: Tubing diagram
MAINTENANCE
7
8
9
16
18
1
2
3
4
5
6
5
10
11
12
13
14
15
17
19
20
H2O
distilled
NaOH

Related product manuals