EasyManua.ls Logo

GFL 2008 - Models 2008 & 2012 Circuit Diagrams

Default Icon
19 pages
Print Icon
To Next Page IconTo Next Page
To Next Page IconTo Next Page
To Previous Page IconTo Previous Page
To Previous Page IconTo Previous Page
Loading...
10
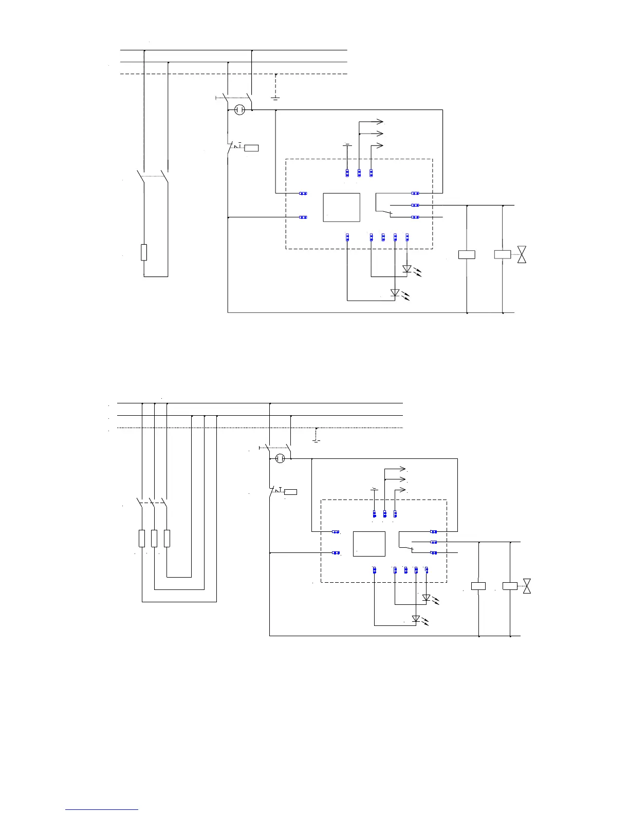
9.3 Typ 2008 Ausführung 230 / 1 (s. Typenschild)
Model 2008 version 230 / 1 (see nameplate)
9.4 Typ 2008 und 2012 Ausführung 220 / 3 (s. Typenschild)
Models 2008 and 2012 version 220 / 3 (see nameplate)
J
Trafo
E2
E3
K1
L1
N
PE
230V / 1 / N / PE / 50....60Hz
S1
F1
A1
H1
H2
K1
Y1
>130°C
Elektr. 1
Elektr. 2
Elektr. 3
M
X9
X2
X3 X4
X1
X6
X7
X8
X13
X12
X11
X10
X5
E1
Trafo
H1
H2
K1 Y1
Elektr.1
Elektr.2
Elektr.3
M
X3 X4 X5
X6
X7
X8
X9 X10 X11 X12 X13
X1
X2
A1
F1
S1
>130°C
K1
E1
PE
N
L1
230V / 1 / N / PE / 50....60Hz
J

Related product manuals